Cub Cadet LM3 CR46SG 12ABTV5E603G (2017) Deflektor, Mähwerksgehäuse, Mulchklappe Ersatzteile
Deflektor, Mähwerksgehäuse, Mulchklappe 12ABTV5E603G (2017)

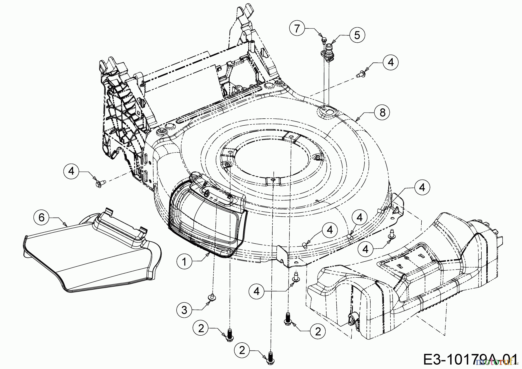
Hier finden Sie die Ersatzteilzeichnung für Cub Cadet Motormäher mit Antrieb LM3 CR46SG 12ABTV5E603G (2017) Deflektor, Mähwerksgehäuse, Mulchklappe. Wählen Sie das benötigte Ersatzteil aus der Ersatzteilliste Ihres Cub Cadet Gerätes aus und bestellen Sie einfach online. Viele Cub Cadet Ersatzteile halten wir ständig in unserem Lager für Sie bereit.


Qualitätsmanagement
Informieren Sie uns, wenn Sie einen Fehler gefunden haben.







