Cub Cadet LM1 AR42 12A-LQSJ603 (2017) Getriebe, Keilriemen Ersatzteile
Getriebe, Keilriemen 12A-LQSJ603 (2017)

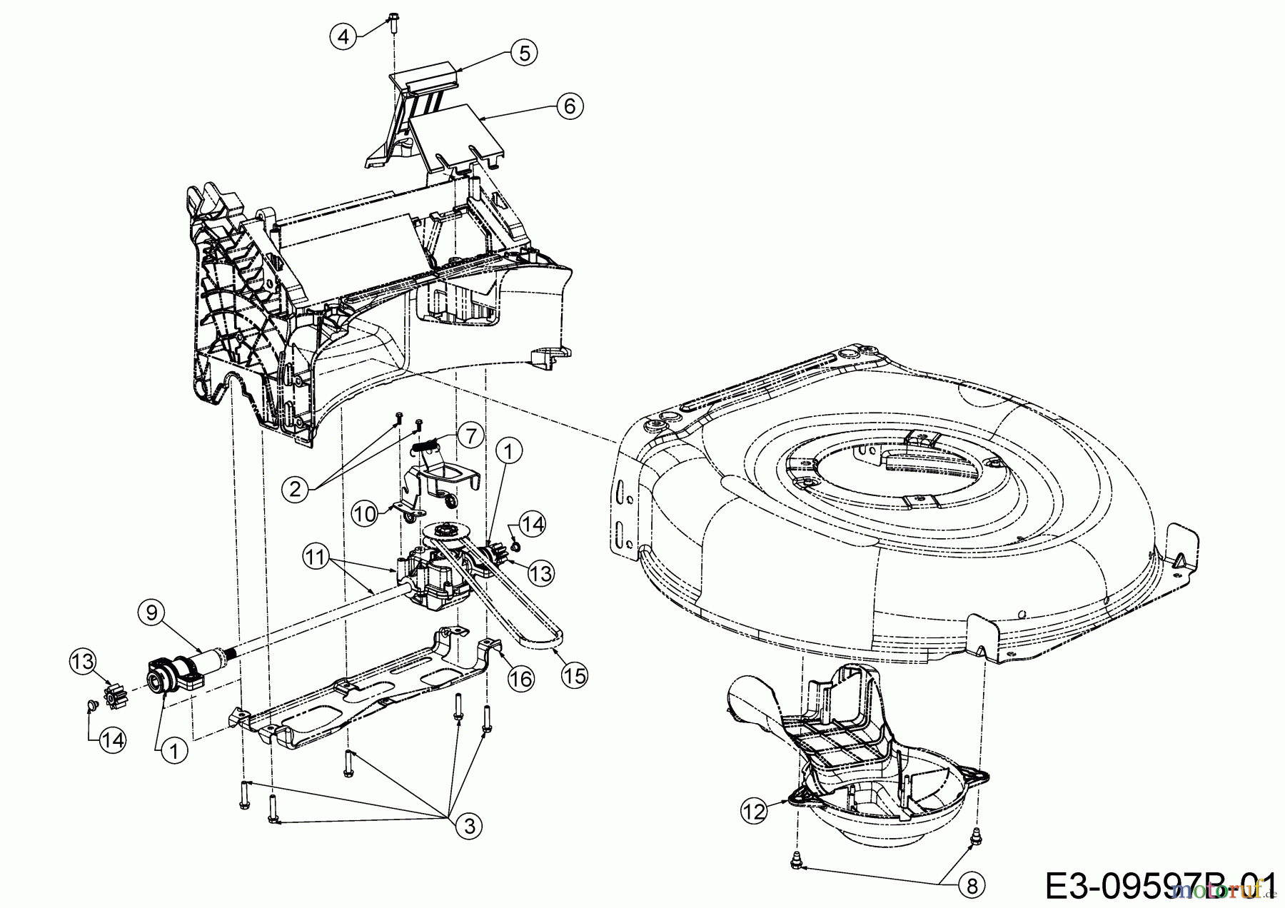
Hier finden Sie die Ersatzteilzeichnung für Cub Cadet Motormäher mit Antrieb LM1 AR42 12A-LQSJ603 (2017) Getriebe, Keilriemen. Wählen Sie das benötigte Ersatzteil aus der Ersatzteilliste Ihres Cub Cadet Gerätes aus und bestellen Sie einfach online. Viele Cub Cadet Ersatzteile halten wir ständig in unserem Lager für Sie bereit.


Qualitätsmanagement
Informieren Sie uns, wenn Sie einen Fehler gefunden haben.







