Cub Cadet SC 500 HW 12ABP2M5710 (2018) Getriebe, Keilriemen Ersatzteile
Getriebe, Keilriemen 12ABP2M5710 (2018)

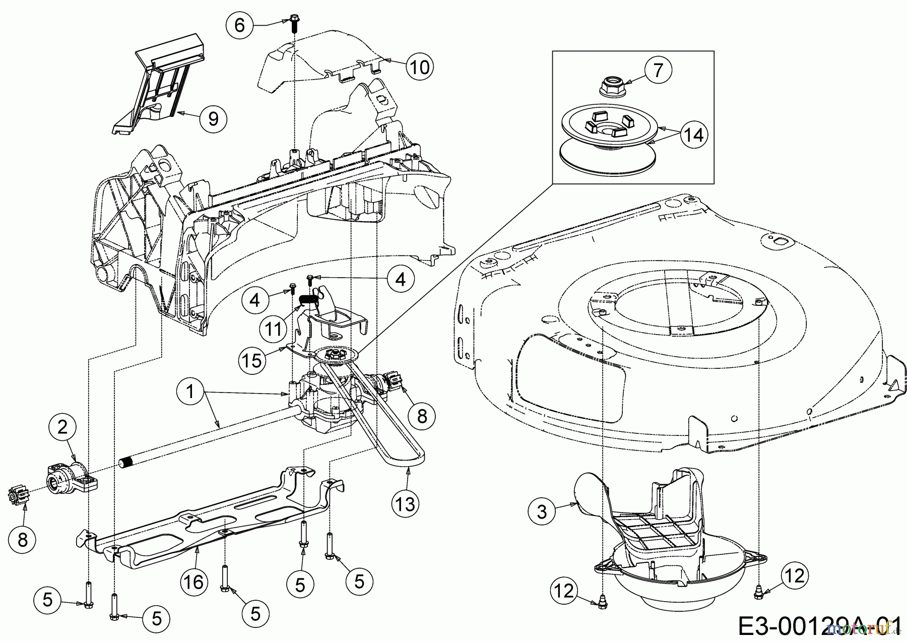
Hier finden Sie die Ersatzteilzeichnung für Cub Cadet Motormäher mit Antrieb SC 500 HW 12ABP2M5710 (2018) Getriebe, Keilriemen. Wählen Sie das benötigte Ersatzteil aus der Ersatzteilliste Ihres Cub Cadet Gerätes aus und bestellen Sie einfach online. Viele Cub Cadet Ersatzteile halten wir ständig in unserem Lager für Sie bereit.


Qualitätsmanagement
Informieren Sie uns, wenn Sie einen Fehler gefunden haben.









