Cub Cadet LT3 PS107K 13AV79DG603 (2018) Ersatzteile
13AV79DG603 (2018) LT3 PS107K

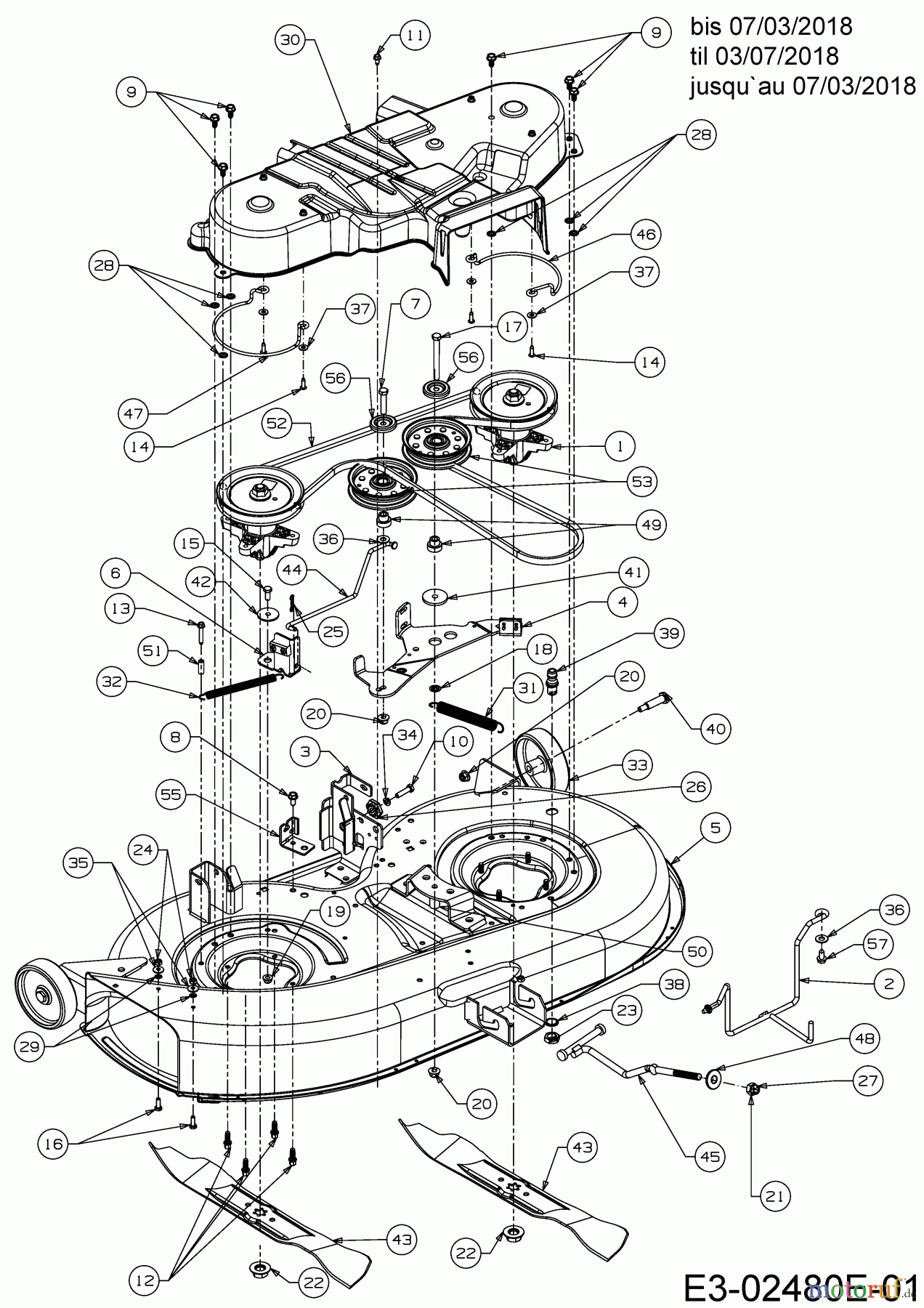
Hier finden Sie die Ersatzteilzeichnung für Cub Cadet Rasentraktoren LT3 PS107K 13AV79DG603 (2018) Mähwerk G (42"/107cm) bis 07/03/2018. Wählen Sie das benötigte Ersatzteil aus der Ersatzteilliste Ihres Cub Cadet Gerätes aus und bestellen Sie einfach online. Viele Cub Cadet Ersatzteile halten wir ständig in unserem Lager für Sie bereit.


Qualitätsmanagement
Informieren Sie uns, wenn Sie einen Fehler gefunden haben.










































