Cub Cadet LX 42" 13AZA4CS330 (2017) Schaltplan Rückwärtsgang Ersatzteile
Schaltplan Rückwärtsgang 13AZA4CS330 (2017)

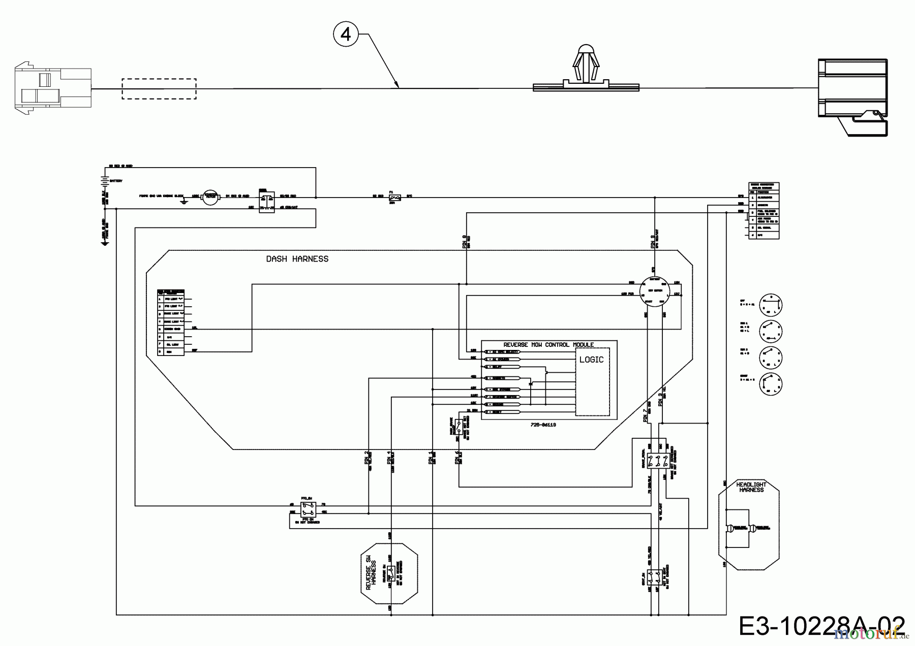
Hier finden Sie die Ersatzteilzeichnung für Cub Cadet Rasentraktoren LX 42" 13AZA4CS330 (2017) Schaltplan Rückwärtsgang. Wählen Sie das benötigte Ersatzteil aus der Ersatzteilliste Ihres Cub Cadet Gerätes aus und bestellen Sie einfach online. Viele Cub Cadet Ersatzteile halten wir ständig in unserem Lager für Sie bereit.
| BildNr | Artikel Nummer | Bezeichnung | |
| 4 | 725-06167 | KABELBAUM:REV:9.75":IN REIHE: | |



