Cub Cadet XT3 QR95 13BFA5CB603 (2018) Fahrantrieb Ersatzteile
Fahrantrieb 13BFA5CB603 (2018)

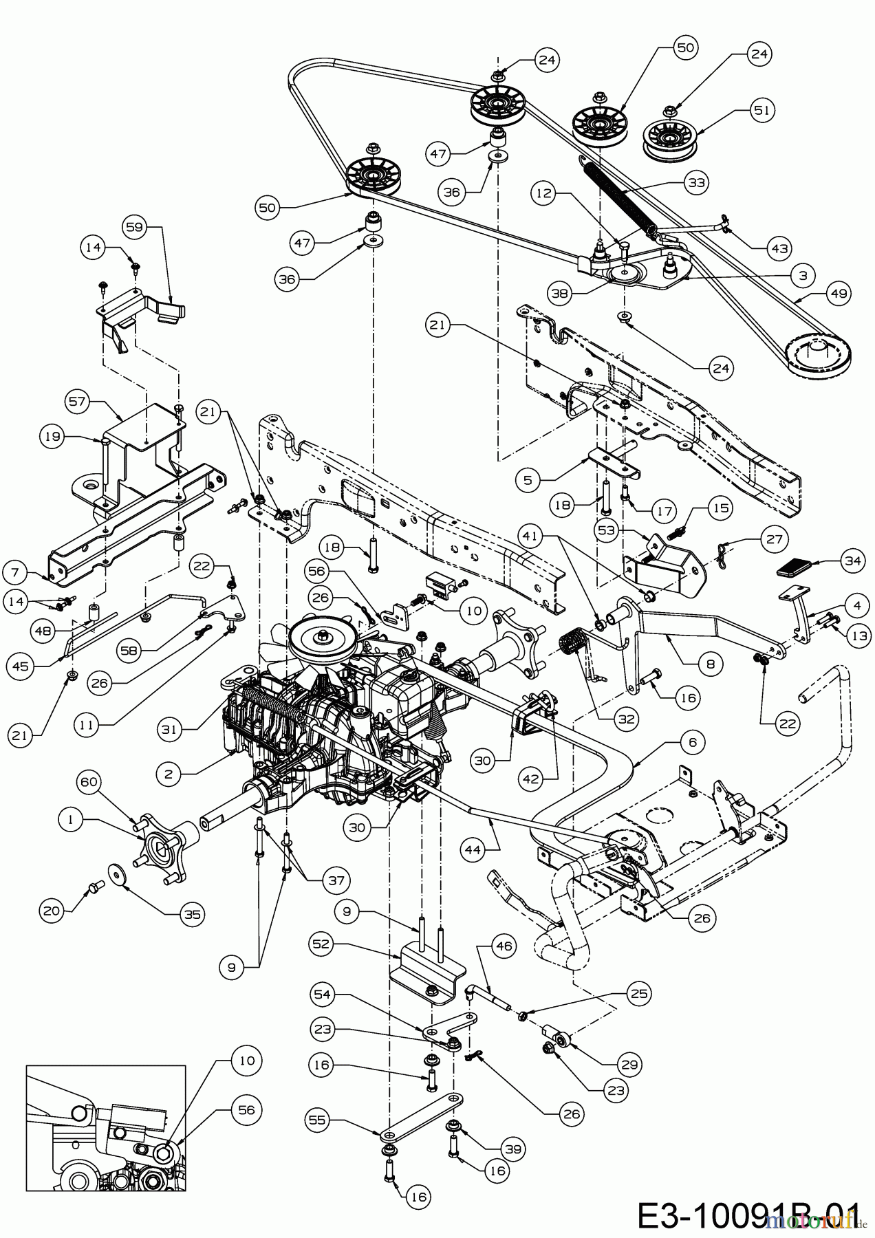
Hier finden Sie die Ersatzteilzeichnung für Cub Cadet Rasentraktoren XT3 QR95 13BFA5CB603 (2018) Fahrantrieb. Wählen Sie das benötigte Ersatzteil aus der Ersatzteilliste Ihres Cub Cadet Gerätes aus und bestellen Sie einfach online. Viele Cub Cadet Ersatzteile halten wir ständig in unserem Lager für Sie bereit.

















