Cub Cadet XT2 PS117 13AGA1CT603 (2018) Hauptschaltplan Ersatzteile
Hauptschaltplan 13AGA1CT603 (2018)

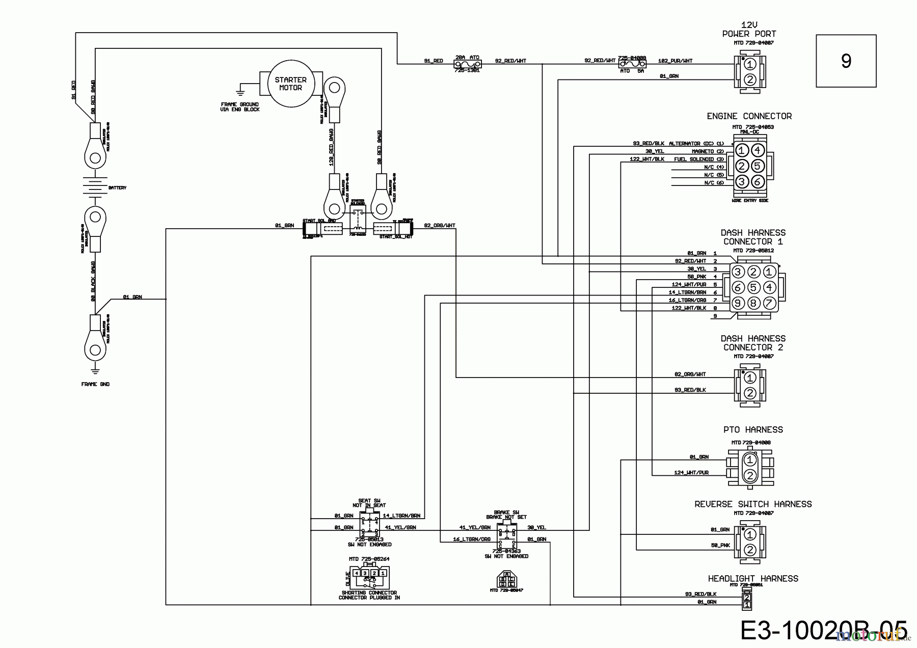
Hier finden Sie die Ersatzteilzeichnung für Cub Cadet Rasentraktoren XT2 PS117 13AGA1CT603 (2018) Hauptschaltplan. Wählen Sie das benötigte Ersatzteil aus der Ersatzteilliste Ihres Cub Cadet Gerätes aus und bestellen Sie einfach online. Viele Cub Cadet Ersatzteile halten wir ständig in unserem Lager für Sie bereit.
| BildNr | Artikel Nummer | Bezeichnung | |
| 9 | 725-06962 | HAUPTKABELBAUM:NX15SD:EPTO:PBS | |


Qualitätsmanagement
Informieren Sie uns, wenn Sie einen Fehler gefunden haben.

