Cub Cadet XT1 OS107 13A8A1CS603 (2017) Hauptschaltplan Ersatzteile
Hauptschaltplan 13A8A1CS603 (2017)

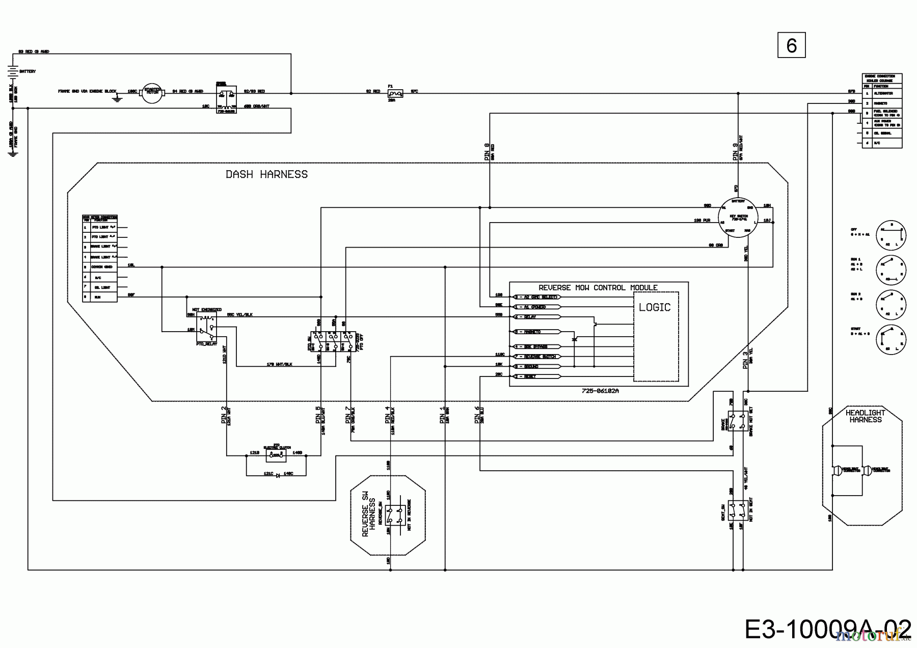
Hier finden Sie die Ersatzteilzeichnung für Cub Cadet Rasentraktoren XT1 OS107 13A8A1CS603 (2017) Hauptschaltplan. Wählen Sie das benötigte Ersatzteil aus der Ersatzteilliste Ihres Cub Cadet Gerätes aus und bestellen Sie einfach online. Viele Cub Cadet Ersatzteile halten wir ständig in unserem Lager für Sie bereit.
| BildNr | Artikel Nummer | Bezeichnung | |
| 6 | 725-06127B | KABELBAUM:NX15:M:EPTO:RMC:HM: | |


Qualitätsmanagement
Informieren Sie uns, wenn Sie einen Fehler gefunden haben.

