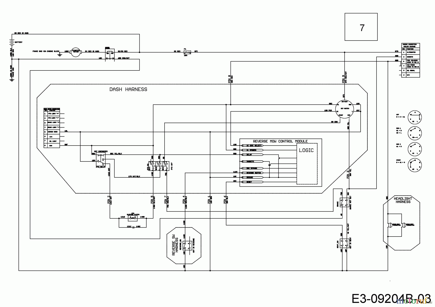
Cub Cadet LX 50" 13AQA1CQ330 (2016) Schaltplan Armaturenbrett Ersatzteile
Schaltplan Armaturenbrett 13AQA1CQ330 (2016)

Hier finden Sie die Ersatzteilzeichnung für Cub Cadet Rasentraktoren LX 50" 13AQA1CQ330 (2016) Schaltplan Armaturenbrett. Wählen Sie das benötigte Ersatzteil aus der Ersatzteilliste Ihres Cub Cadet Gerätes aus und bestellen Sie einfach online. Viele Cub Cadet Ersatzteile halten wir ständig in unserem Lager für Sie bereit.
| BildNr | Artikel Nummer | Bezeichnung | |
| 7 | 725-06129 | KABELBAUM:ARMATURENBRETT:EPTO | |



