Cub Cadet CC 714 TC 13H276DC603 (2017) Fahrantrieb, Pedal, Schalthebel Ersatzteile
Fahrantrieb, Pedal, Schalthebel 13H276DC603 (2017)

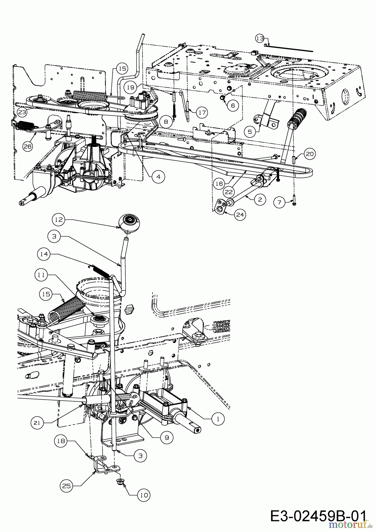
Hier finden Sie die Ersatzteilzeichnung für Cub Cadet Rasentraktoren CC 714 TC 13H276DC603 (2017) Fahrantrieb, Pedal, Schalthebel. Wählen Sie das benötigte Ersatzteil aus der Ersatzteilliste Ihres Cub Cadet Gerätes aus und bestellen Sie einfach online. Viele Cub Cadet Ersatzteile halten wir ständig in unserem Lager für Sie bereit.


Qualitätsmanagement
Informieren Sie uns, wenn Sie einen Fehler gefunden haben.


















