Cub Cadet CC 714 TC 13H276DC603 (2017) Mähwerk A/C (30"/76cm) Ersatzteile
Mähwerk A/C (30"/76cm) 13H276DC603 (2017)

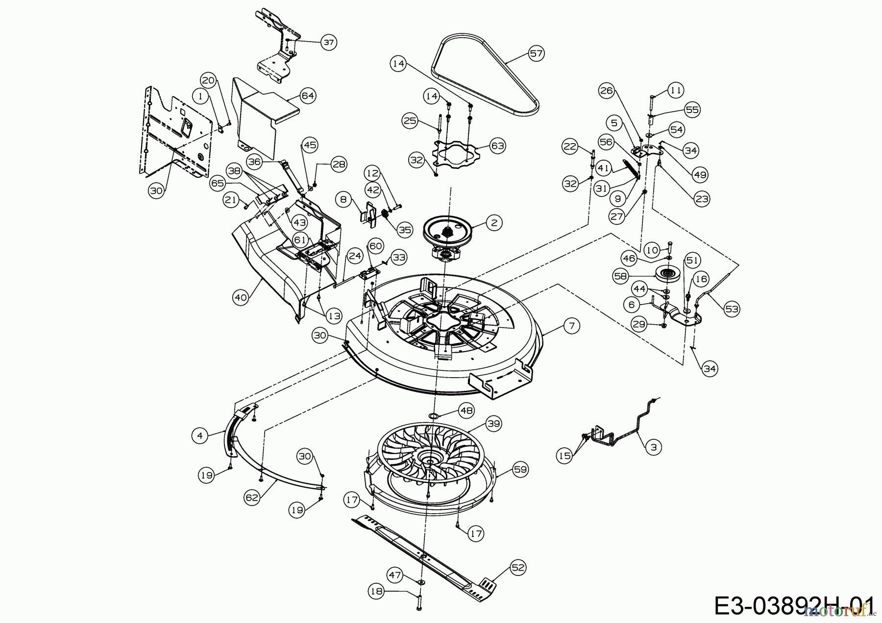
Hier finden Sie die Ersatzteilzeichnung für Cub Cadet Rasentraktoren CC 714 TC 13H276DC603 (2017) Mähwerk A/C (30"/76cm). Wählen Sie das benötigte Ersatzteil aus der Ersatzteilliste Ihres Cub Cadet Gerätes aus und bestellen Sie einfach online. Viele Cub Cadet Ersatzteile halten wir ständig in unserem Lager für Sie bereit.












































