Cub Cadet CC 1022 13AF11CG603 (2008) Schaltplan ab 12.10.2007 Ersatzteile
Schaltplan ab 12.10.2007 13AF11CG603 (2008)

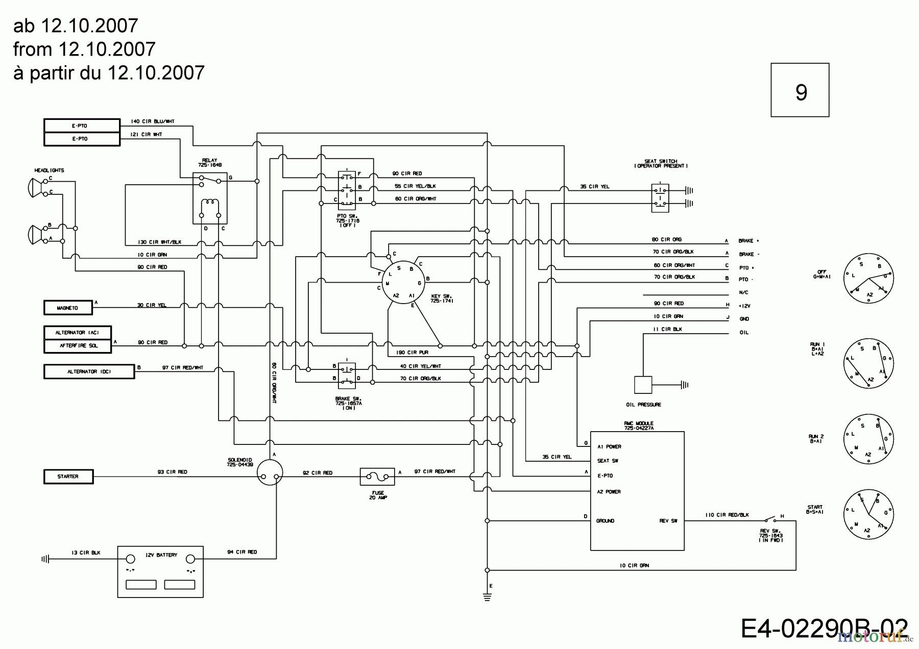
Hier finden Sie die Ersatzteilzeichnung für Cub Cadet Rasentraktoren CC 1022 13AF11CG603 (2008) Schaltplan ab 12.10.2007. Wählen Sie das benötigte Ersatzteil aus der Ersatzteilliste Ihres Cub Cadet Gerätes aus und bestellen Sie einfach online. Viele Cub Cadet Ersatzteile halten wir ständig in unserem Lager für Sie bereit.
| BildNr | Artikel Nummer | Bezeichnung | |
| 9 | 725-04402A | ||


Qualitätsmanagement
Informieren Sie uns, wenn Sie einen Fehler gefunden haben.

