Black-Line BLK 7065 24A-812C683R (2017) Bowdenzüge, Rahmen, Reibrad Ersatzteile
Bowdenzüge, Rahmen, Reibrad 24A-812C683R (2017)

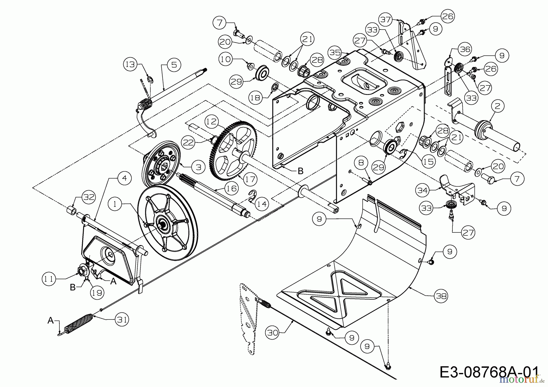
Hier finden Sie die Ersatzteilzeichnung für Black-Line Kehrmaschine BLK 7065 24A-812C683R (2017) Bowdenzüge, Rahmen, Reibrad. Wählen Sie das benötigte Ersatzteil aus der Ersatzteilliste Ihres Black-Line Gerätes aus und bestellen Sie einfach online. Viele Black-Line Ersatzteile halten wir ständig in unserem Lager für Sie bereit.


Qualitätsmanagement
Informieren Sie uns, wenn Sie einen Fehler gefunden haben.
















