Black-Line BLK 7065 24B-812C683 (2016) Armaturenbrett Ersatzteile
Armaturenbrett 24B-812C683 (2016)

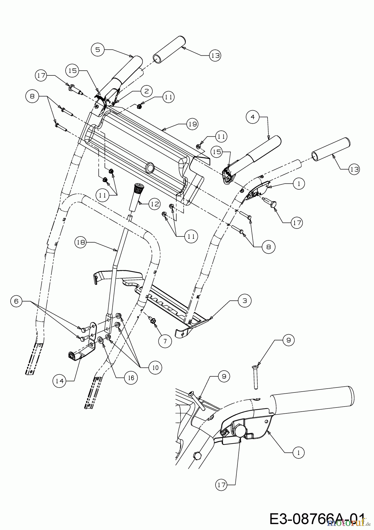
Hier finden Sie die Ersatzteilzeichnung für Black-Line Kehrmaschine BLK 7065 24B-812C683 (2016) Armaturenbrett. Wählen Sie das benötigte Ersatzteil aus der Ersatzteilliste Ihres Black-Line Gerätes aus und bestellen Sie einfach online. Viele Black-Line Ersatzteile halten wir ständig in unserem Lager für Sie bereit.


Qualitätsmanagement
Informieren Sie uns, wenn Sie einen Fehler gefunden haben.








