MTD Optima 35 VB 16AHGL0F600 (2018) Ersatzteile
16AHGL0F600 (2018) Optima 35 VB

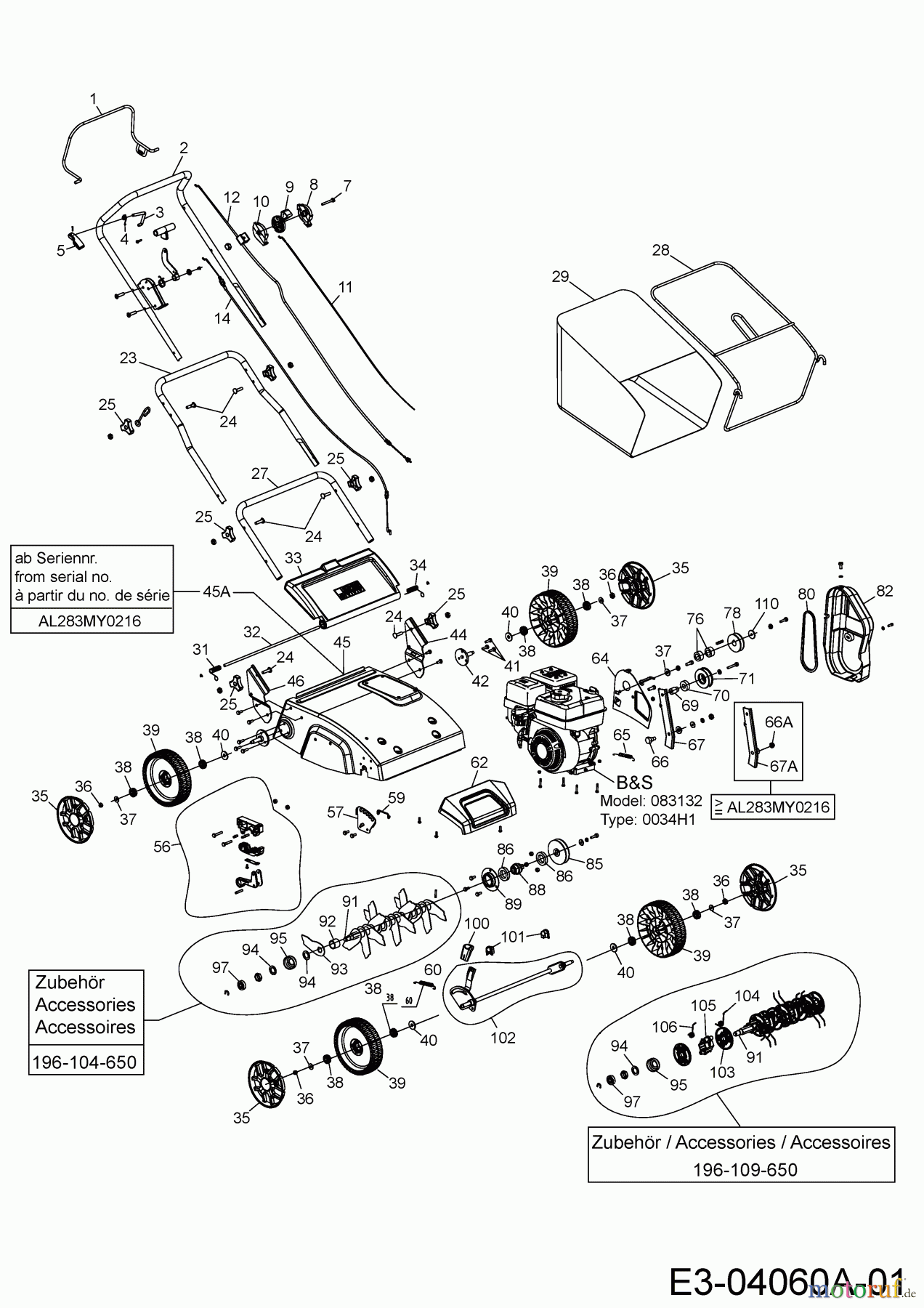
Hier finden Sie die Ersatzteilzeichnung für MTD Motorvertikutierer Optima 35 VB 16AHGL0F600 (2018) Grundgerät. Wählen Sie das benötigte Ersatzteil aus der Ersatzteilliste Ihres MTD Gerätes aus und bestellen Sie einfach online. Viele MTD Ersatzteile halten wir ständig in unserem Lager für Sie bereit.
Häufig benötigte MTD Optima 35 VB 16AHGL0F600 (2018) Ersatzteile

Artikelnummer: 754-05057
Suche nach: 754-05057
Hersteller: MTD
MTD Ersatzteil 16AHGL0F600 (2018)
Suche nach: 754-05057
Hersteller: MTD
MTD Ersatzteil 16AHGL0F600 (2018)
29.12 €
für EU incl. MwSt., zzgl. Versand















