MTD P 220 HZ-S 17AF2ACS678 (2014) Ersatzteile
17AF2ACS678 (2014) P 220 HZ-S

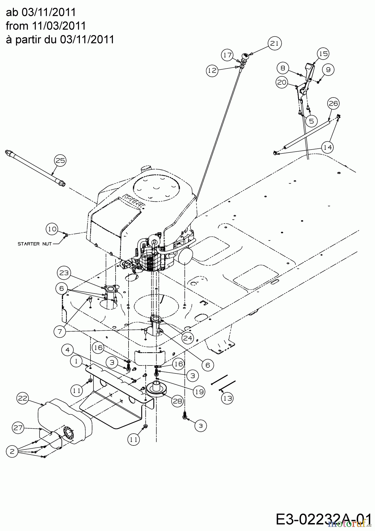
Hier finden Sie die Ersatzteilzeichnung für MTD Zero Turn P 220 HZ-S 17AF2ACS678 (2014) Motorzubehör ab 03/11/2011. Wählen Sie das benötigte Ersatzteil aus der Ersatzteilliste Ihres MTD Gerätes aus und bestellen Sie einfach online. Viele MTD Ersatzteile halten wir ständig in unserem Lager für Sie bereit.


Qualitätsmanagement
Informieren Sie uns, wenn Sie einen Fehler gefunden haben.











