MTD ME 61 31AW63F2678 (2018) Auswurfschacht Ersatzteile
Auswurfschacht 31AW63F2678 (2018)

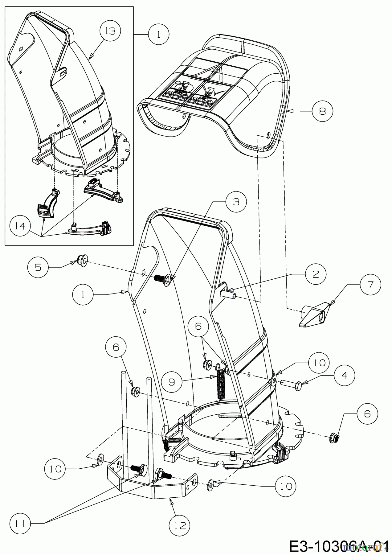
Hier finden Sie die Ersatzteilzeichnung für MTD Schneefräsen ME 61 31AW63F2678 (2018) Auswurfschacht. Wählen Sie das benötigte Ersatzteil aus der Ersatzteilliste Ihres MTD Gerätes aus und bestellen Sie einfach online. Viele MTD Ersatzteile halten wir ständig in unserem Lager für Sie bereit.


Qualitätsmanagement
Informieren Sie uns, wenn Sie einen Fehler gefunden haben.




