MTD 1043 AVS 41AD71YB678 (2018) Kupplung, Zündung Ersatzteile
Kupplung, Zündung 41AD71YB678 (2018)

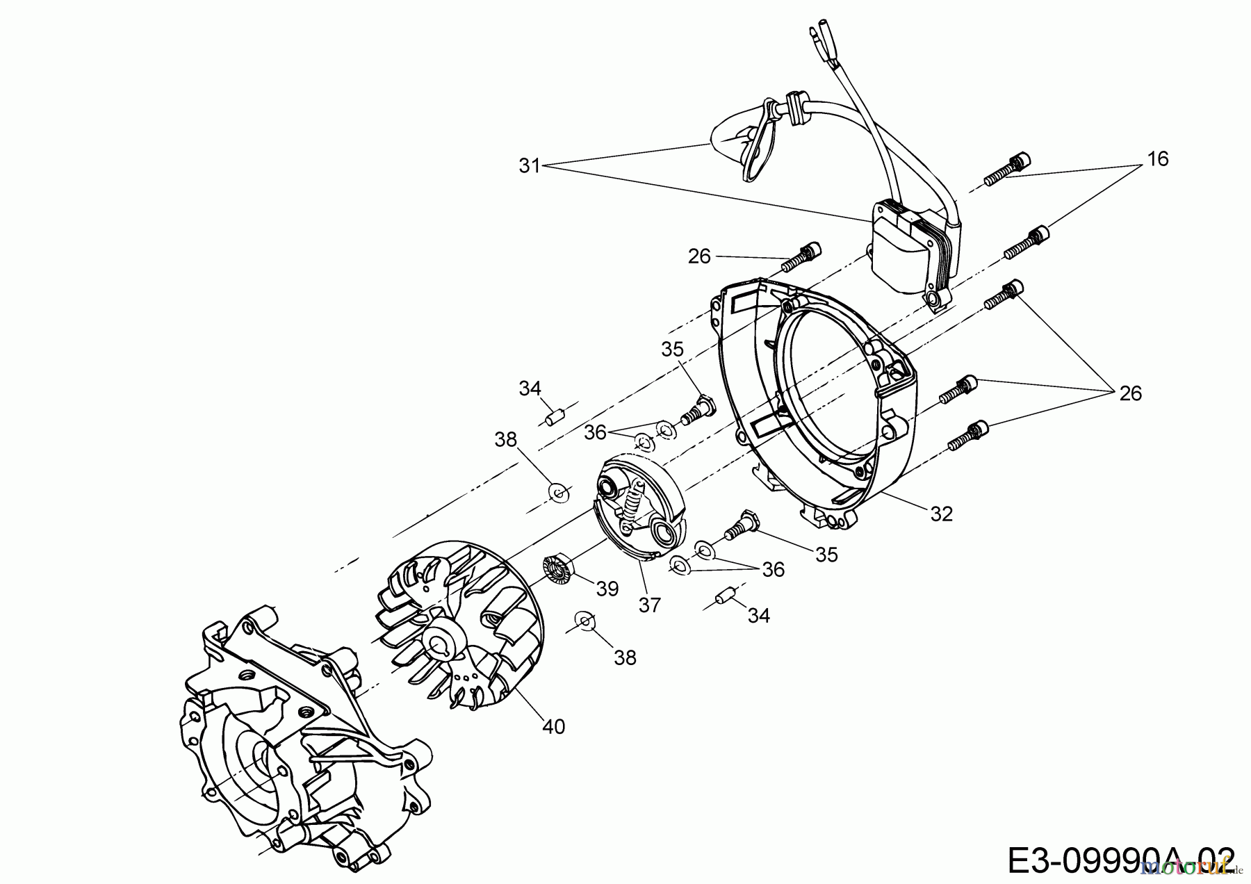
Hier finden Sie die Ersatzteilzeichnung für MTD Motorsensen 1043 AVS 41AD71YB678 (2018) Kupplung, Zündung. Wählen Sie das benötigte Ersatzteil aus der Ersatzteilliste Ihres MTD Gerätes aus und bestellen Sie einfach online. Viele MTD Ersatzteile halten wir ständig in unserem Lager für Sie bereit.


Qualitätsmanagement
Informieren Sie uns, wenn Sie einen Fehler gefunden haben.
















