MTD Smart BC 33 41BTG0K-678 (2018) Motor Ersatzteile
Motor 41BTG0K-678 (2018)

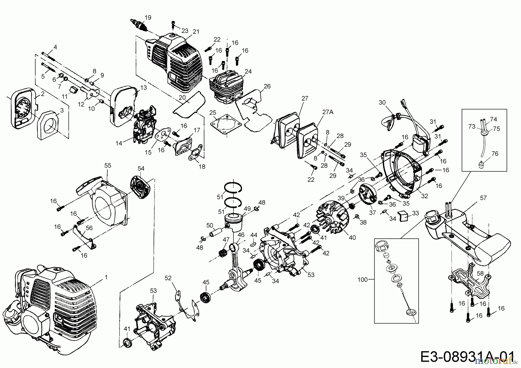
Hier finden Sie die Ersatzteilzeichnung für MTD Motorsensen Smart BC 33 41BTG0K-678 (2018) Motor. Wählen Sie das benötigte Ersatzteil aus der Ersatzteilliste Ihres MTD Gerätes aus und bestellen Sie einfach online. Viele MTD Ersatzteile halten wir ständig in unserem Lager für Sie bereit.


Qualitätsmanagement
Informieren Sie uns, wenn Sie einen Fehler gefunden haben.



















