MTD 96 13H2765F600 (2018) Ersatzteile
13H2765F600 (2018) MTD 96

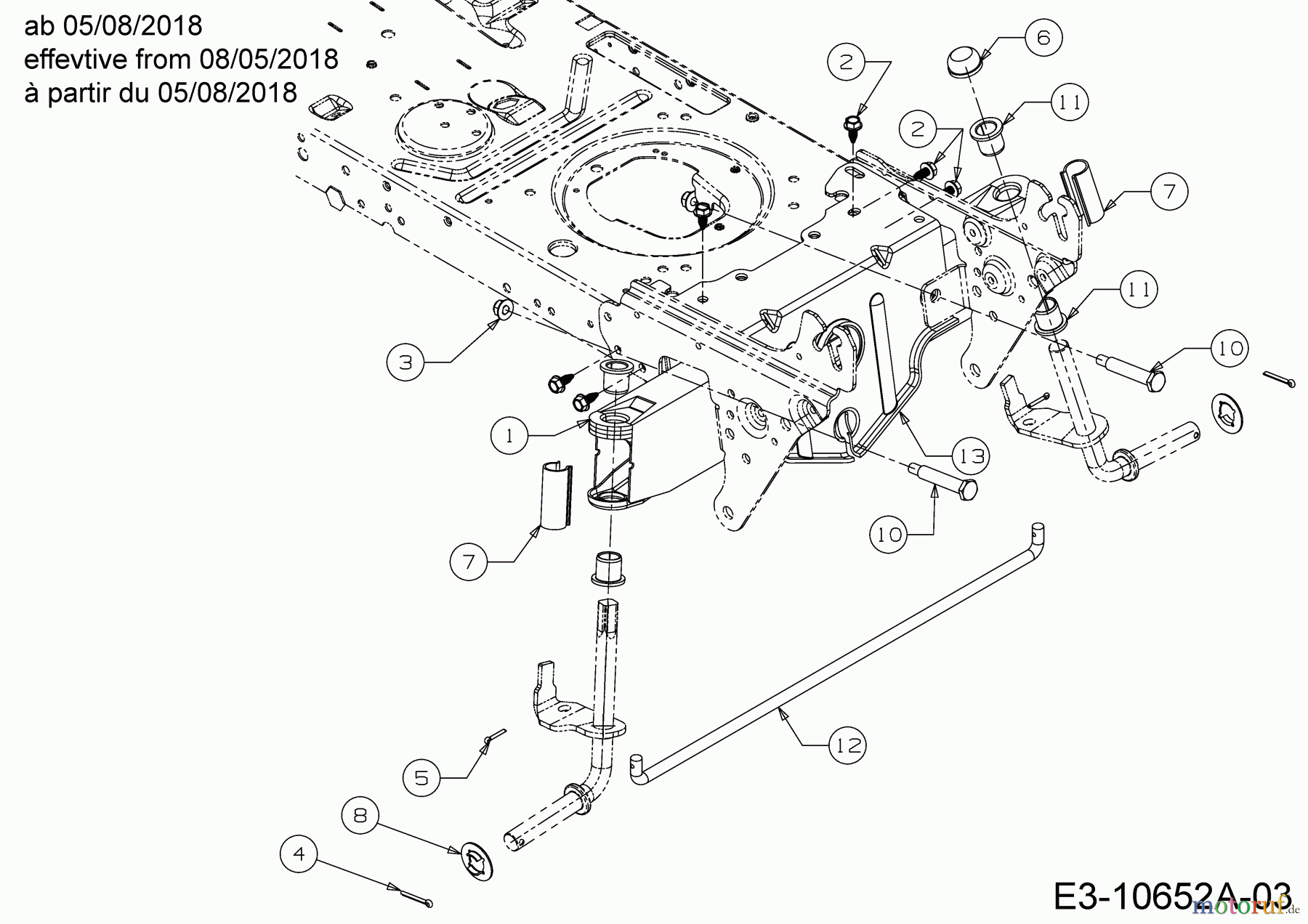
Hier finden Sie die Ersatzteilzeichnung für MTD Rasentraktoren MTD 96 13H2765F600 (2018) Vorderachse ab 05/08/2018. Wählen Sie das benötigte Ersatzteil aus der Ersatzteilliste Ihres MTD Gerätes aus und bestellen Sie einfach online. Viele MTD Ersatzteile halten wir ständig in unserem Lager für Sie bereit.


Qualitätsmanagement
 Informieren Sie uns, wenn Sie einen Fehler gefunden haben.












