MTD Minirider 60 RDHE 13A521SC600 (2018) Motorkeilriemenscheibe, Motorträger Ersatzteile
Motorkeilriemenscheibe, Motorträger 13A521SC600 (2018)

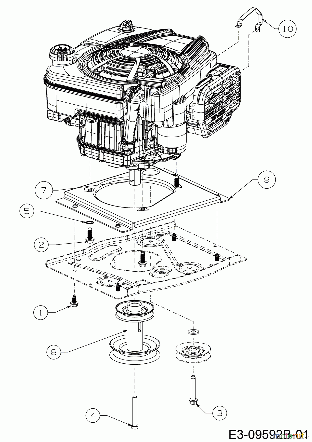
Hier finden Sie die Ersatzteilzeichnung für MTD Rasentraktoren Minirider 60 RDHE 13A521SC600 (2018) Motorkeilriemenscheibe, Motorträger. Wählen Sie das benötigte Ersatzteil aus der Ersatzteilliste Ihres MTD Gerätes aus und bestellen Sie einfach online. Viele MTD Ersatzteile halten wir ständig in unserem Lager für Sie bereit.


Qualitätsmanagement
Informieren Sie uns, wenn Sie einen Fehler gefunden haben.




