MTD Minirider 76 RDE 13A226SD600 (2018) Verkleidungen Ersatzteile
Verkleidungen 13A226SD600 (2018)

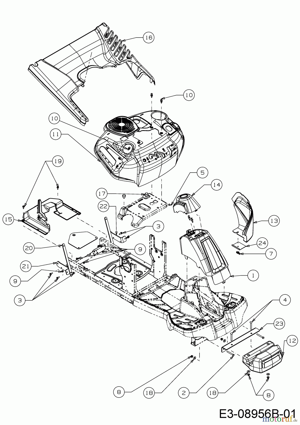
Hier finden Sie die Ersatzteilzeichnung für MTD Rasentraktoren Minirider 76 RDE 13A226SD600 (2018) Verkleidungen. Wählen Sie das benötigte Ersatzteil aus der Ersatzteilliste Ihres MTD Gerätes aus und bestellen Sie einfach online. Viele MTD Ersatzteile halten wir ständig in unserem Lager für Sie bereit.










