MTD Minirider 76 RDE 13A226SD600 (2018) Choke- und Gaszug, Motorzubehör Ersatzteile
Choke- und Gaszug, Motorzubehör 13A226SD600 (2018)

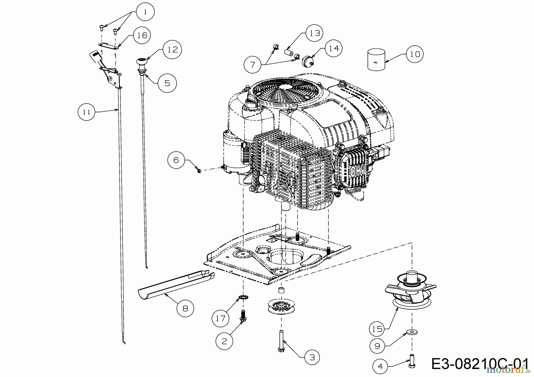
Hier finden Sie die Ersatzteilzeichnung für MTD Rasentraktoren Minirider 76 RDE 13A226SD600 (2018) Choke- und Gaszug, Motorzubehör. Wählen Sie das benötigte Ersatzteil aus der Ersatzteilliste Ihres MTD Gerätes aus und bestellen Sie einfach online. Viele MTD Ersatzteile halten wir ständig in unserem Lager für Sie bereit.








