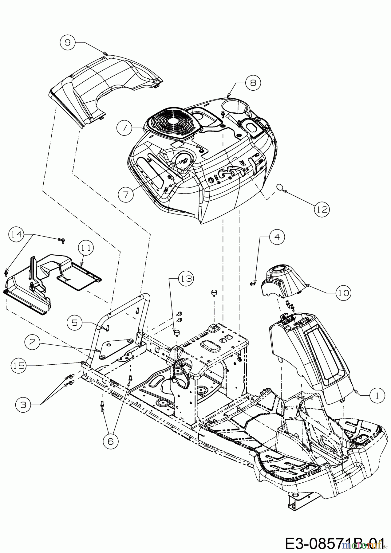
MTD 420/30 13B226JD308 (2017) Verkleidungen Ersatzteile
Verkleidungen 13B226JD308 (2017)

Hier finden Sie die Ersatzteilzeichnung für MTD Rasentraktoren 420/30 13B226JD308 (2017) Verkleidungen. Wählen Sie das benötigte Ersatzteil aus der Ersatzteilliste Ihres MTD Gerätes aus und bestellen Sie einfach online. Viele MTD Ersatzteile halten wir ständig in unserem Lager für Sie bereit.








