Lawnflite 807 13BA509G611 (2003) Fahrantrieb ab 01.01.2003 Ersatzteile
Fahrantrieb ab 01.01.2003 13BA509G611 (2003)

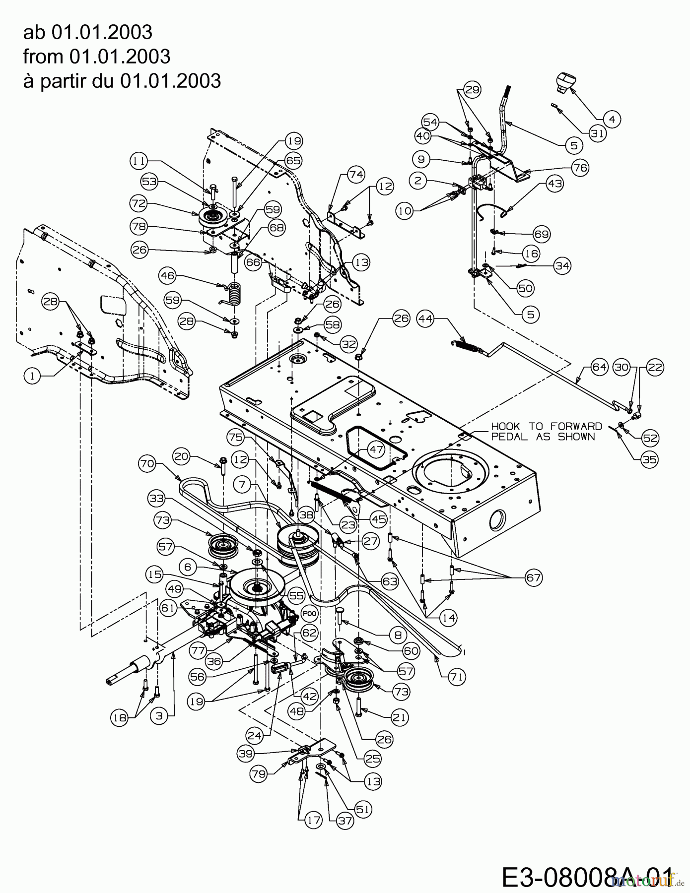
Hier finden Sie die Ersatzteilzeichnung für Lawnflite Rasentraktoren 807 13BA509G611 (2003) Fahrantrieb ab 01.01.2003. Wählen Sie das benötigte Ersatzteil aus der Ersatzteilliste Ihres Lawnflite Gerätes aus und bestellen Sie einfach online. Viele Lawnflite Ersatzteile halten wir ständig in unserem Lager für Sie bereit.






































