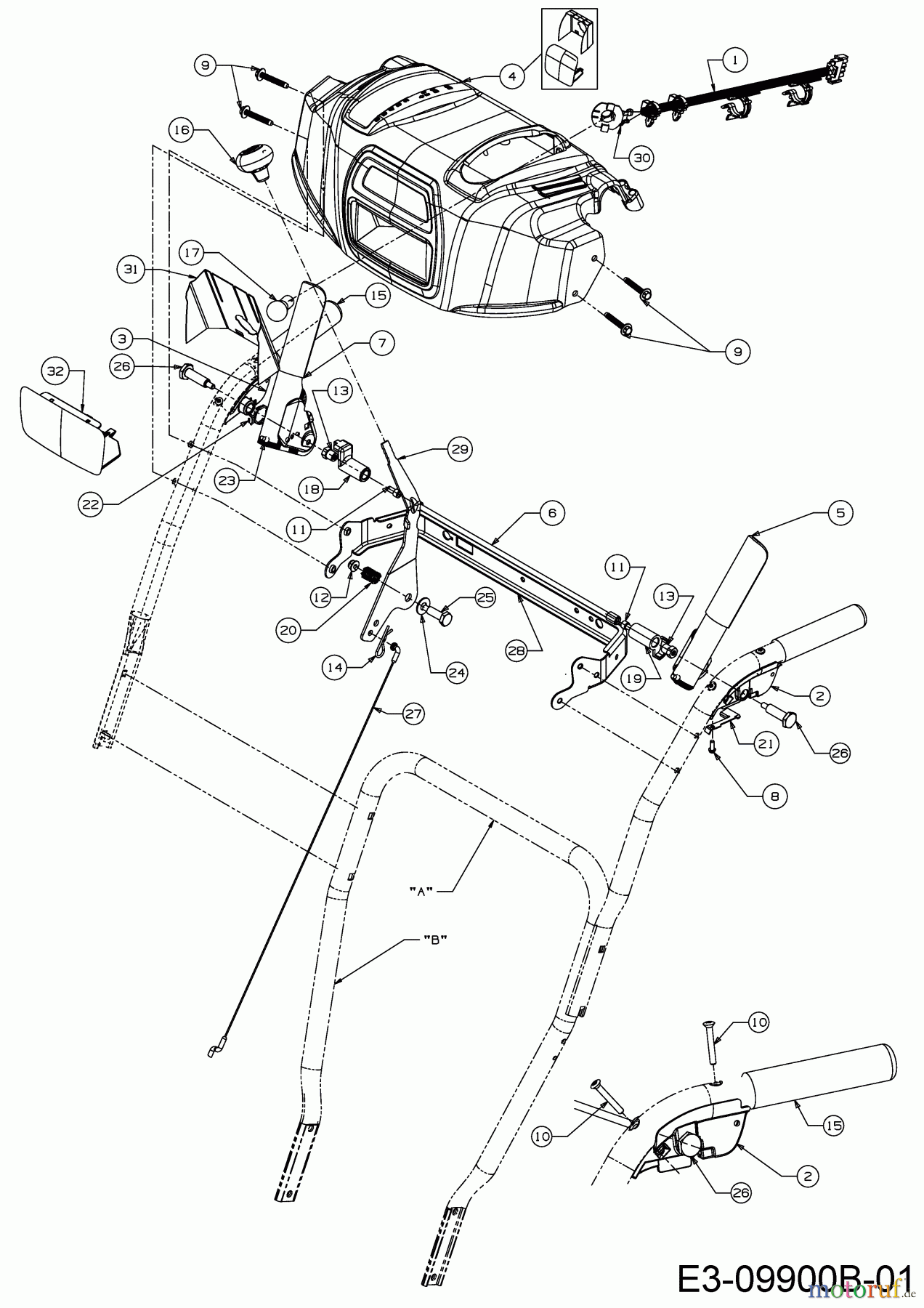
Wolf-Garten SF 66 E 31AY54T3650 (2018) Armaturenbrett Ersatzteile
Armaturenbrett 31AY54T3650 (2018)

Hier finden Sie die Ersatzteilzeichnung für Wolf-Garten Schneefräsen SF 66 E 31AY54T3650 (2018) Armaturenbrett. Wählen Sie das benötigte Ersatzteil aus der Ersatzteilliste Ihres Wolf-Garten Gerätes aus und bestellen Sie einfach online. Viele Wolf-Garten Ersatzteile halten wir ständig in unserem Lager für Sie bereit.










