Wolf-Garten 105.175 H 13HN71WN650 (2017) Motorhaube G-Style Ersatzteile
Motorhaube G-Style 13HN71WN650 (2017)

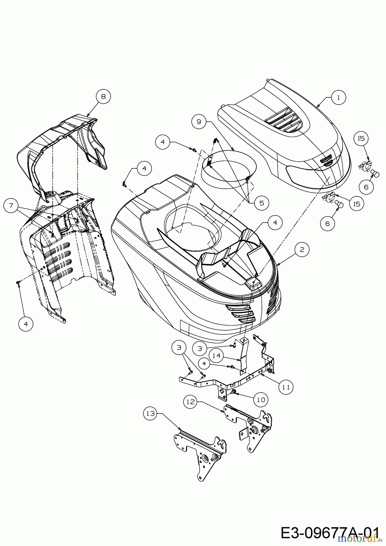
Hier finden Sie die Ersatzteilzeichnung für Wolf-Garten Rasentraktoren 105.175 H 13HN71WN650 (2017) Motorhaube G-Style. Wählen Sie das benötigte Ersatzteil aus der Ersatzteilliste Ihres Wolf-Garten Gerätes aus und bestellen Sie einfach online. Viele Wolf-Garten Ersatzteile halten wir ständig in unserem Lager für Sie bereit.


Qualitätsmanagement
Informieren Sie uns, wenn Sie einen Fehler gefunden haben.







