Wolf-Garten Scooter M / RDE 60 M 13B326SC650M (2018) Motorkeilriemenscheibe Ersatzteile
Motorkeilriemenscheibe 13B326SC650M (2018)

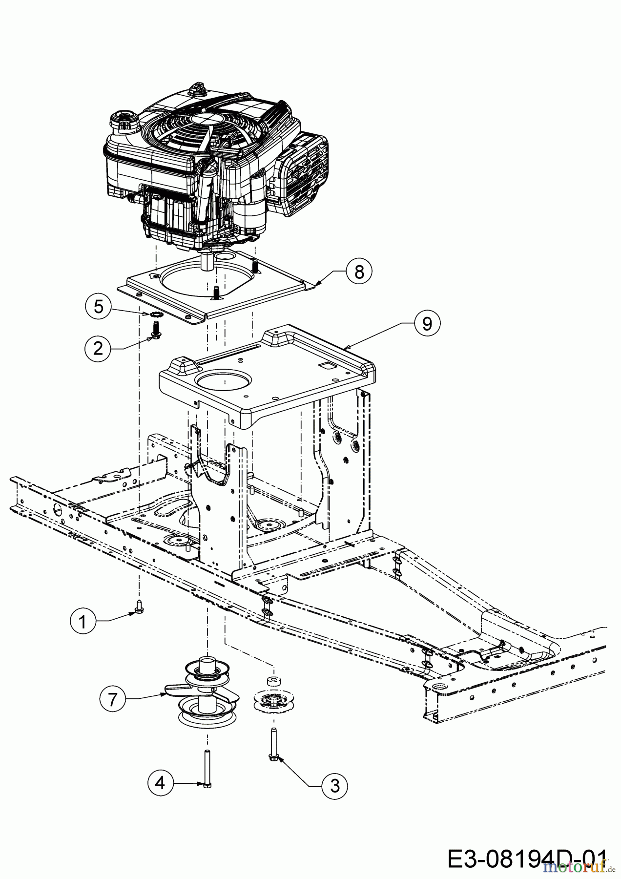
Hier finden Sie die Ersatzteilzeichnung für Wolf-Garten Rasentraktoren Scooter M / RDE 60 M 13B326SC650M (2018) Motorkeilriemenscheibe. Wählen Sie das benötigte Ersatzteil aus der Ersatzteilliste Ihres Wolf-Garten Gerätes aus und bestellen Sie einfach online. Viele Wolf-Garten Ersatzteile halten wir ständig in unserem Lager für Sie bereit.


Qualitätsmanagement
Informieren Sie uns, wenn Sie einen Fehler gefunden haben.




