Wolf-Garten TT 300 S 15A-AA--650 (2018) Ersatzteile
15A-AA--650 (2018) TT 300 S

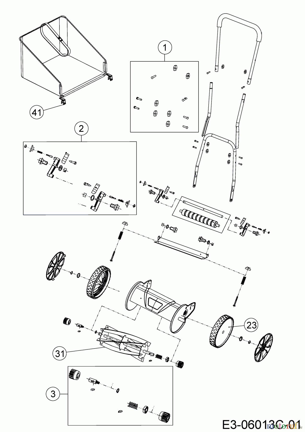
Hier finden Sie die Ersatzteilzeichnung für Wolf-Garten Spindelmäher TT 300 S 15A-AA--650 (2018) Grundgerät. Wählen Sie das benötigte Ersatzteil aus der Ersatzteilliste Ihres Wolf-Garten Gerätes aus und bestellen Sie einfach online. Viele Wolf-Garten Ersatzteile halten wir ständig in unserem Lager für Sie bereit.
| BildNr | Artikel Nummer | Bezeichnung | |
| 1 | 092.61.451 | BEIPACK HOLMBEFESTIGUNG | |
| 2 | 092.61.452 | BEIPACK BEFESTIGUNG WALZE | |
| 3 | 092.61.453 | RITZELSATZ | |
| 23 | 092.61.454 | RAD | |
| 31 | 092.61.455 | MESSERWALZE TT300S | |
| 41 | 092.61.456 | HALTECLIPS FANGSACK | |



