Wolf-Garten A 4200 T 11A-LSSC650 (2017) Mähwerksgehäuse Ersatzteile
Mähwerksgehäuse 11A-LSSC650 (2017)

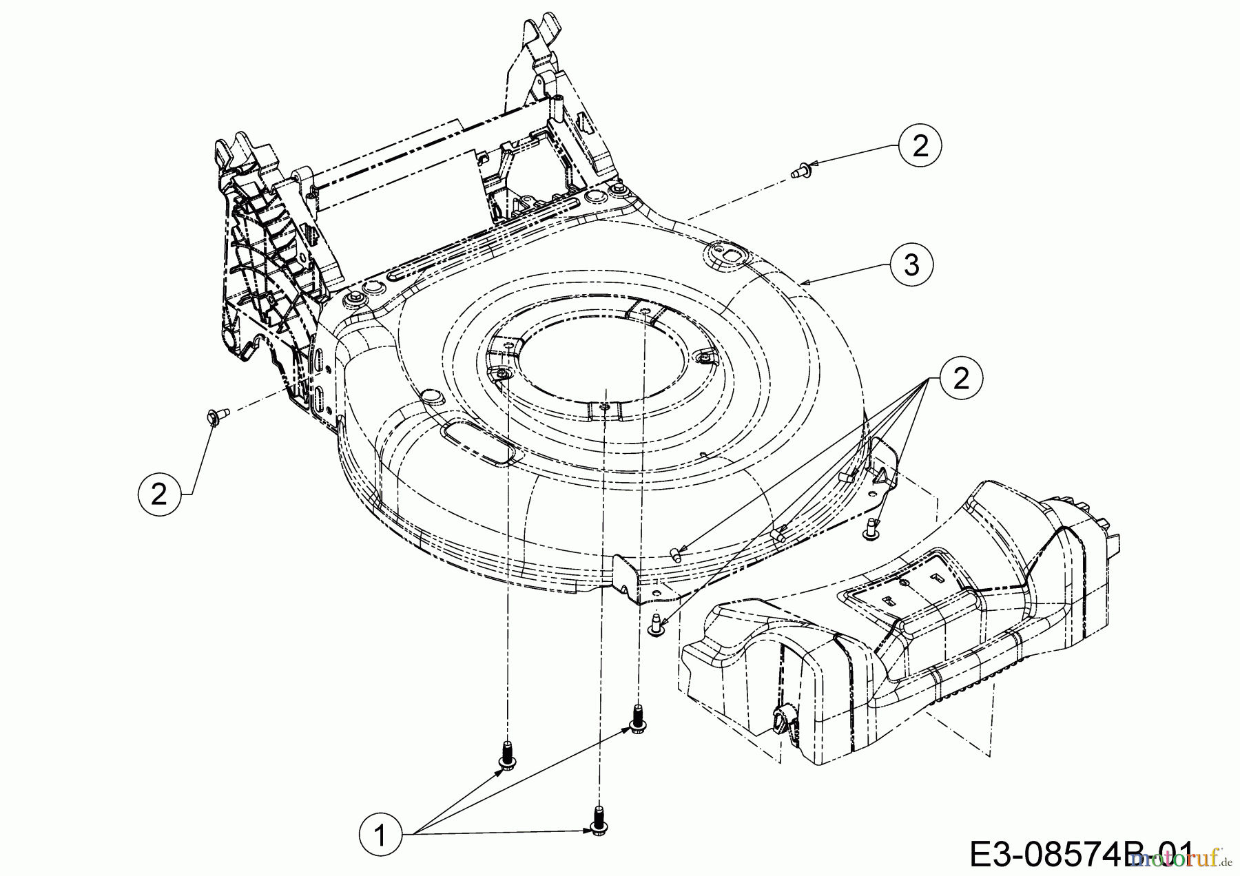
Hier finden Sie die Ersatzteilzeichnung für Wolf-Garten Motormäher A 4200 T 11A-LSSC650 (2017) Mähwerksgehäuse. Wählen Sie das benötigte Ersatzteil aus der Ersatzteilliste Ihres Wolf-Garten Gerätes aus und bestellen Sie einfach online. Viele Wolf-Garten Ersatzteile halten wir ständig in unserem Lager für Sie bereit.
| BildNr | Artikel Nummer | Bezeichnung | |
| 1 | ![]() | 710-04683C | 6KT-SCHRAUBE:TT:3/8-16:1.000 |
| 2 | ![]() | 710-05425A | 6KT-SCHR/SCHEIBE:5/16-14:.750 |
| 3 | 787-03072BWR | MÄHWERKSGEHÄUSE 42CM 2IN1 | |





