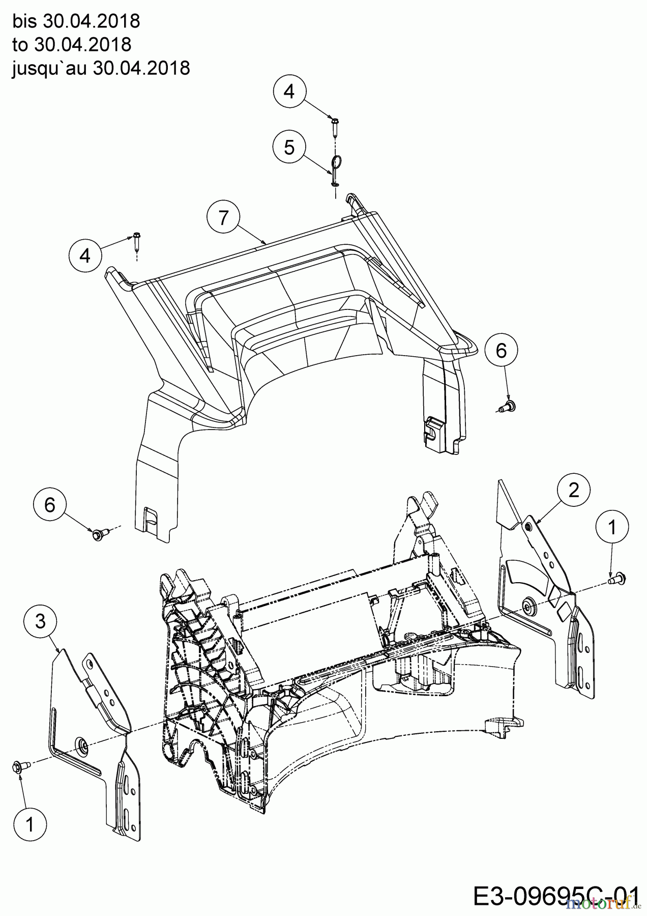
Wolf-Garten AT 4600 AHWES 12CETRS7650 (2018) Abdeckung hinten, Holmbraketten bis 30.04.2018 Ersatzteile
Abdeckung hinten, Holmbraketten bis 30.04.2018 12CETRS7650 (2018)

Hier finden Sie die Ersatzteilzeichnung für Wolf-Garten Motormäher mit Antrieb AT 4600 AHWES 12CETRS7650 (2018) Abdeckung hinten, Holmbraketten bis 30.04.2018. Wählen Sie das benötigte Ersatzteil aus der Ersatzteilliste Ihres Wolf-Garten Gerätes aus und bestellen Sie einfach online. Viele Wolf-Garten Ersatzteile halten wir ständig in unserem Lager für Sie bereit.




