Wolf-Garten A 420 AVHW 12AQLV5B650 (2018) Getriebe, Keilriemen ab 05.01.2017 Ersatzteile
Getriebe, Keilriemen ab 05.01.2017 12AQLV5B650 (2018)

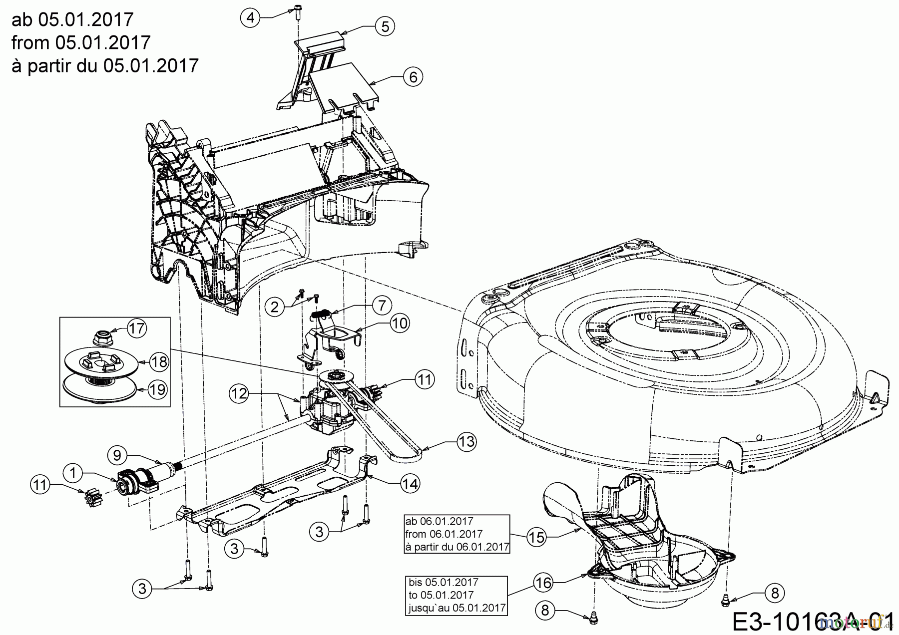
Hier finden Sie die Ersatzteilzeichnung für Wolf-Garten Motormäher mit Antrieb A 420 AVHW 12AQLV5B650 (2018) Getriebe, Keilriemen ab 05.01.2017. Wählen Sie das benötigte Ersatzteil aus der Ersatzteilliste Ihres Wolf-Garten Gerätes aus und bestellen Sie einfach online. Viele Wolf-Garten Ersatzteile halten wir ständig in unserem Lager für Sie bereit.











