Gutbrod DLX 127 SAL-SK 13AF606P690 (2008) Ersatzteile
13AF606P690 (2008) DLX 127 SAL-SK

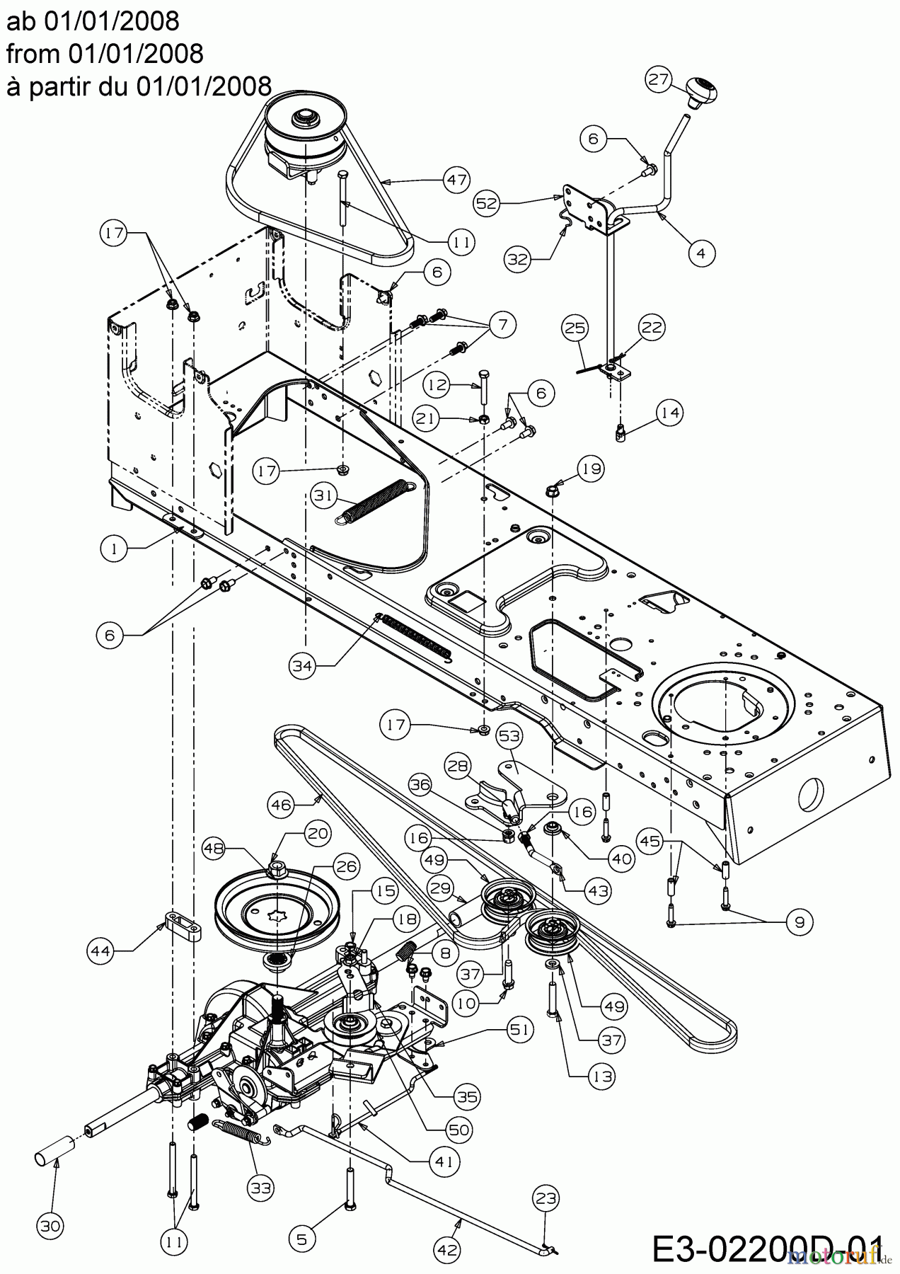
Hier finden Sie die Ersatzteilzeichnung für Gutbrod Rasentraktoren DLX 127 SAL-SK 13AF606P690 (2008) Fahrantrieb ab 01/01/2008. Wählen Sie das benötigte Ersatzteil aus der Ersatzteilliste Ihres Gutbrod Gerätes aus und bestellen Sie einfach online. Viele Gutbrod Ersatzteile halten wir ständig in unserem Lager für Sie bereit.


Qualitätsmanagement
Informieren Sie uns, wenn Sie einen Fehler gefunden haben.





























