Gutbrod HA 42 L 18BBL5P-604 (1999) Höhenverstellung, Räder vorne Ersatzteile
Höhenverstellung, Räder vorne 18BBL5P-604 (1999)

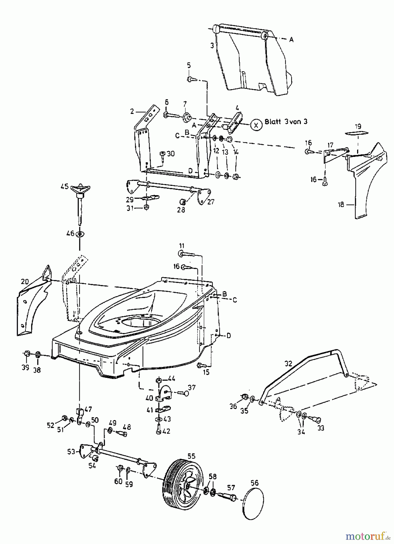
Hier finden Sie die Ersatzteilzeichnung für Gutbrod Akkumäher HA 42 L 18BBL5P-604 (1999) Höhenverstellung, Räder vorne. Wählen Sie das benötigte Ersatzteil aus der Ersatzteilliste Ihres Gutbrod Gerätes aus und bestellen Sie einfach online. Viele Gutbrod Ersatzteile halten wir ständig in unserem Lager für Sie bereit.


Qualitätsmanagement
Informieren Sie uns, wenn Sie einen Fehler gefunden haben.





