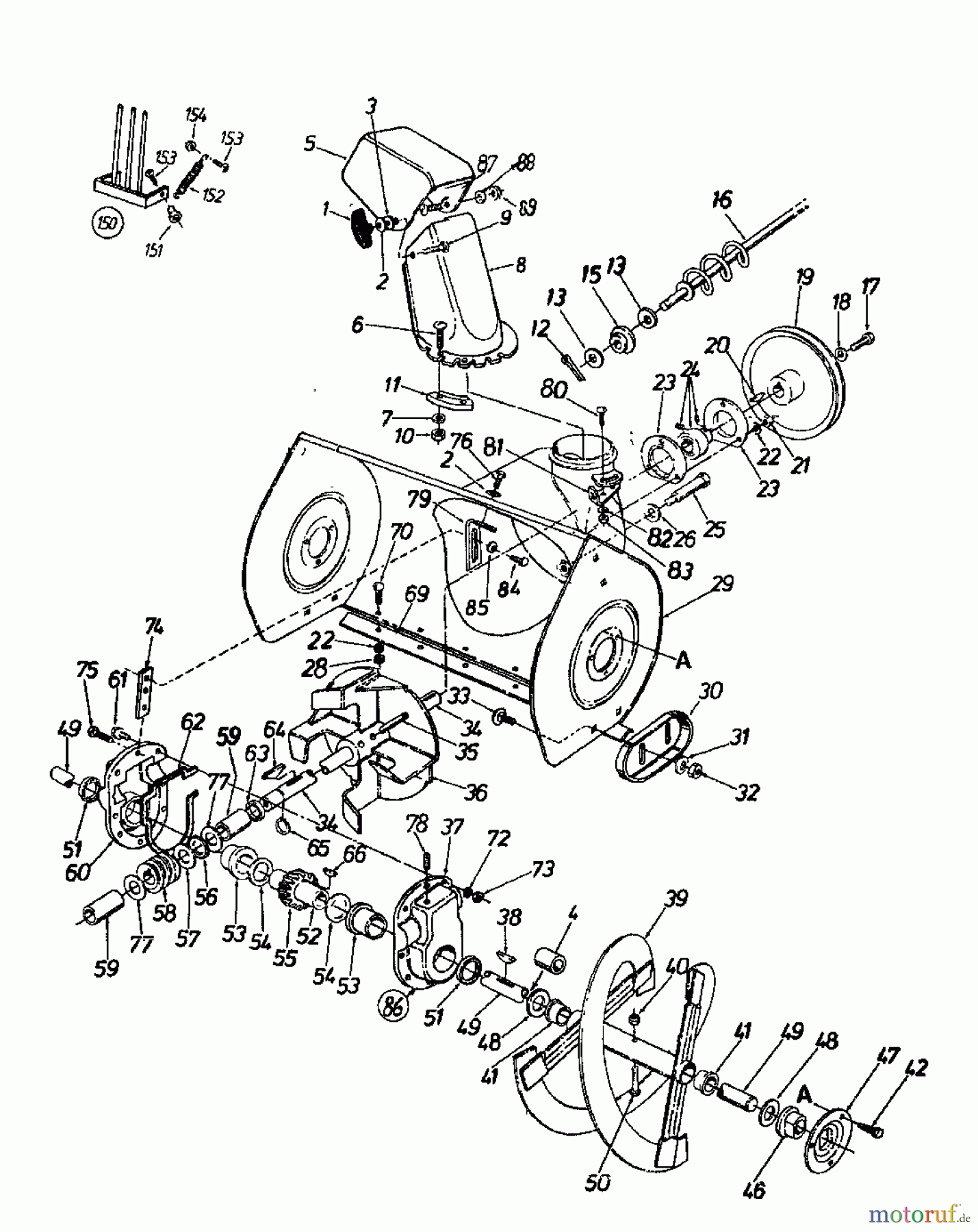
Blizzard N 10-71 L 319-8500 (1989) Fräsgehäuse, Schnecke, Schneckengetriebe Ersatzteile
Fräsgehäuse, Schnecke, Schneckengetriebe 319-8500 (1989)

Hier finden Sie die Ersatzteilzeichnung für Blizzard Schneefräsen N 10-71 L 319-8500 (1989) Fräsgehäuse, Schnecke, Schneckengetriebe. Wählen Sie das benötigte Ersatzteil aus der Ersatzteilliste Ihres Blizzard Gerätes aus und bestellen Sie einfach online. Viele Blizzard Ersatzteile halten wir ständig in unserem Lager für Sie bereit.


















