Dolmar CS-7070 CS-7070 (2010=>) 1 CS-7070 (2010=>) Ersatzteile
1 CS-7070 (2010=>) CS-7070 (2010=>)

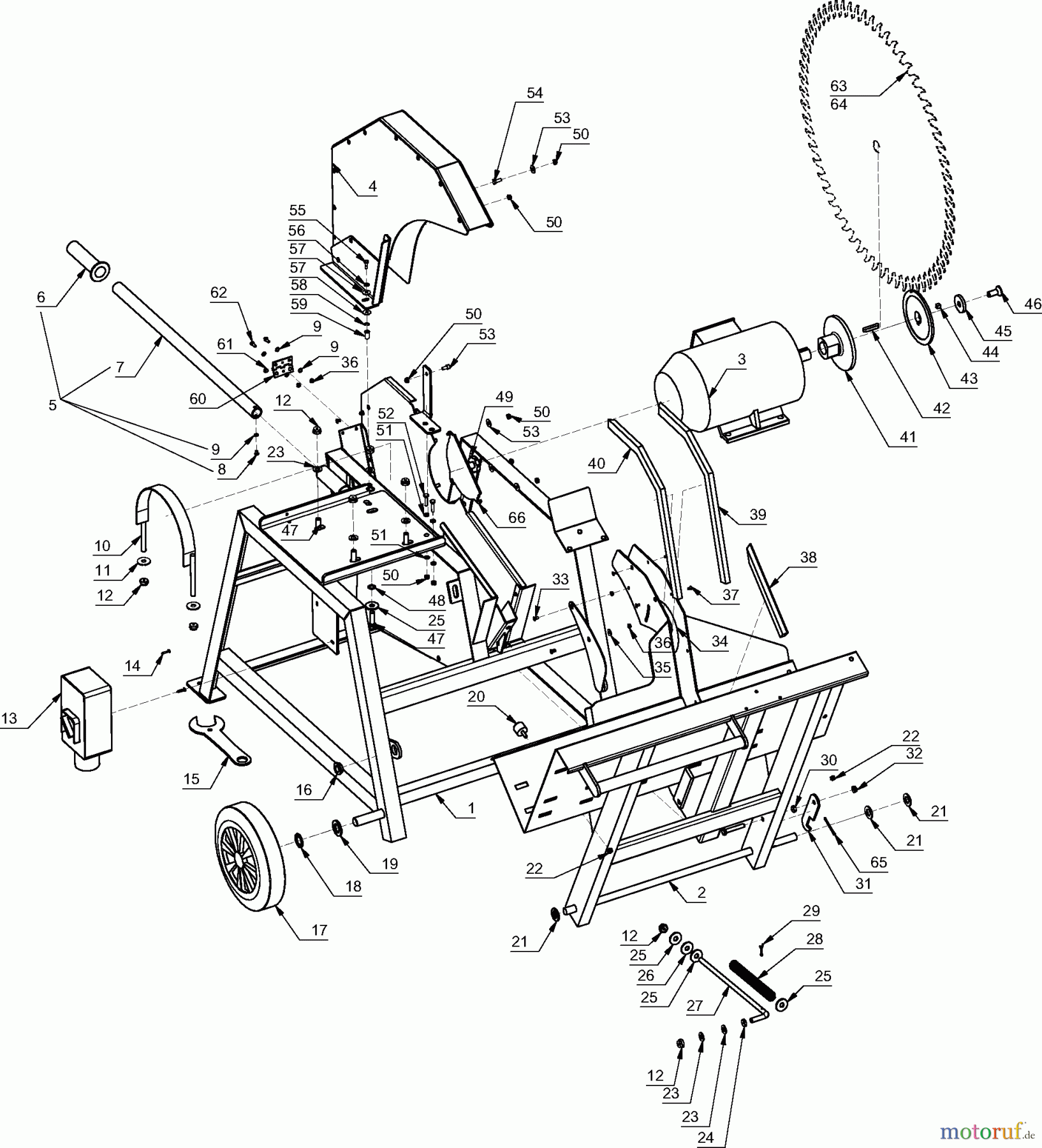
Hier finden Sie die Ersatzteilzeichnung für Dolmar Wippkreissägen CS-7070 CS-7070 (2010=>) 1 CS-7070 (2010=>). Wählen Sie das benötigte Ersatzteil aus der Ersatzteilliste Ihres Dolmar Gerätes aus und bestellen Sie einfach online. Viele Dolmar Ersatzteile halten wir ständig in unserem Lager für Sie bereit.




