Dolmar GE-5800 (USA) 14 Ölsensor Ersatzteile
14 Ölsensor GE-5800 (USA)

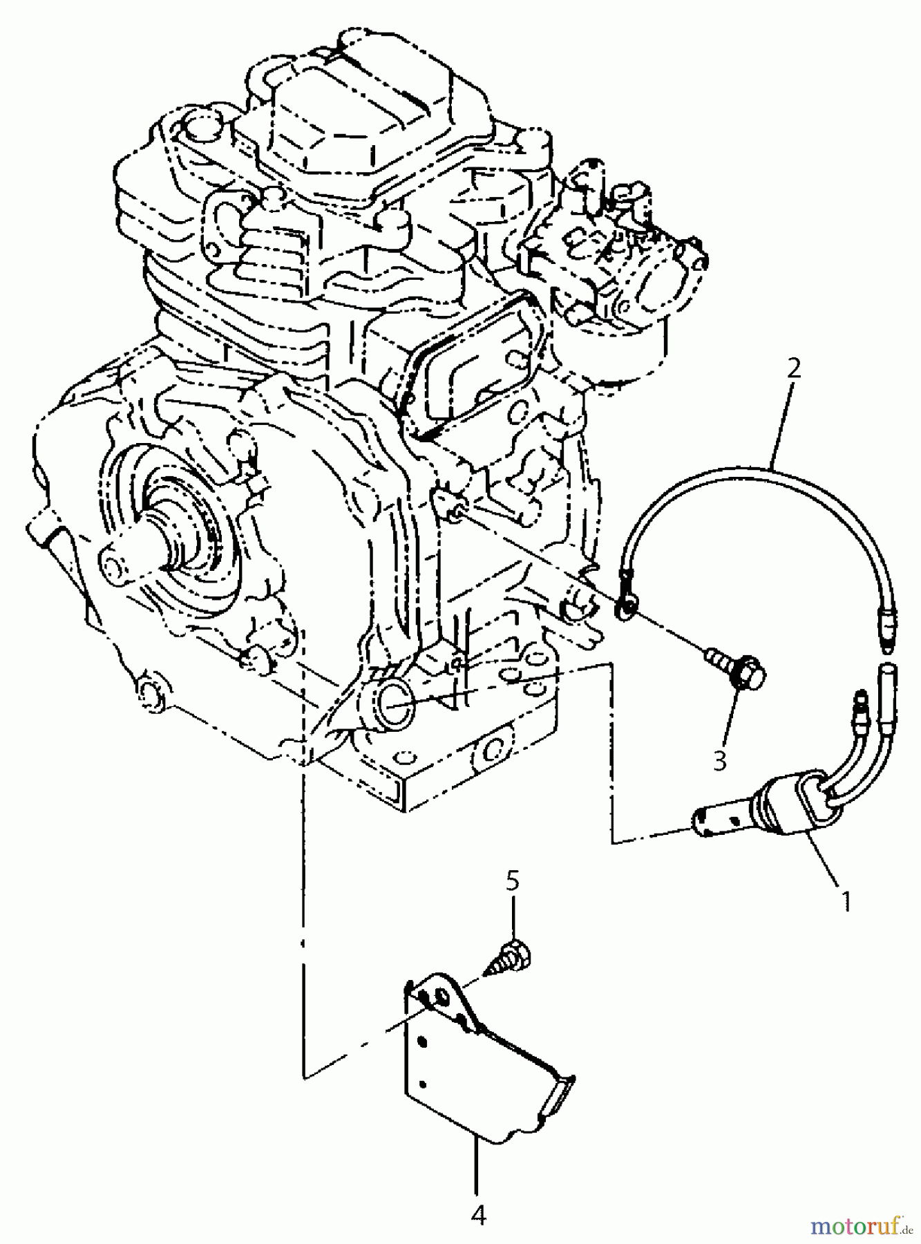
Hier finden Sie die Ersatzteilzeichnung für Dolmar Stromerzeuger GE-5800 (USA) 14 Ölsensor. Wählen Sie das benötigte Ersatzteil aus der Ersatzteilliste Ihres Dolmar Gerätes aus und bestellen Sie einfach online. Viele Dolmar Ersatzteile halten wir ständig in unserem Lager für Sie bereit.
| BildNr | Artikel Nummer | Bezeichnung | |
| 1 | 368110120 | ÖLSENSOR KPL. | |
| 2 | 368731030 | KABEL KPL. 3 | |
| 3 | 0110060010 | BOLZEN M6X1.0X14DX8L | |
| 4 | 368175010 | SCHUTZPLATTE | |
| 5 | 0152060050 | BOLZEN | |


Qualitätsmanagement
Informieren Sie uns, wenn Sie einen Fehler gefunden haben.

