Dolmar TM-102.16 TM-102.16 (2009-2010) 1 RAHMENSATZ Ersatzteile
1 RAHMENSATZ TM-102.16 (2009-2010)

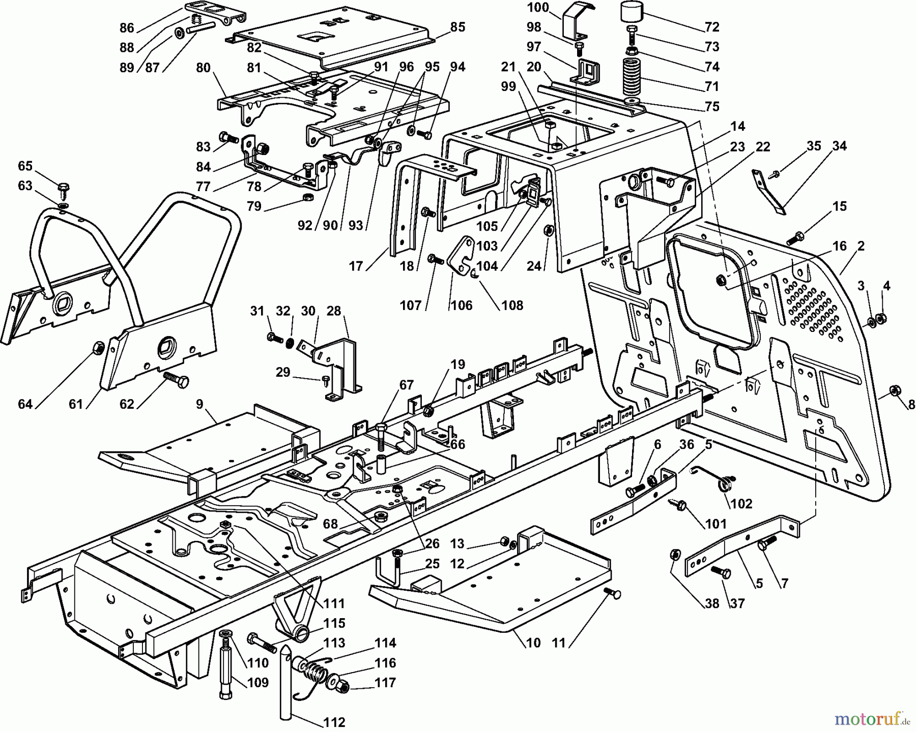
Hier finden Sie die Ersatzteilzeichnung für Dolmar Rasentraktoren TM-102.16 TM-102.16 (2009-2010) 1 RAHMENSATZ. Wählen Sie das benötigte Ersatzteil aus der Ersatzteilliste Ihres Dolmar Gerätes aus und bestellen Sie einfach online. Viele Dolmar Ersatzteile halten wir ständig in unserem Lager für Sie bereit.




