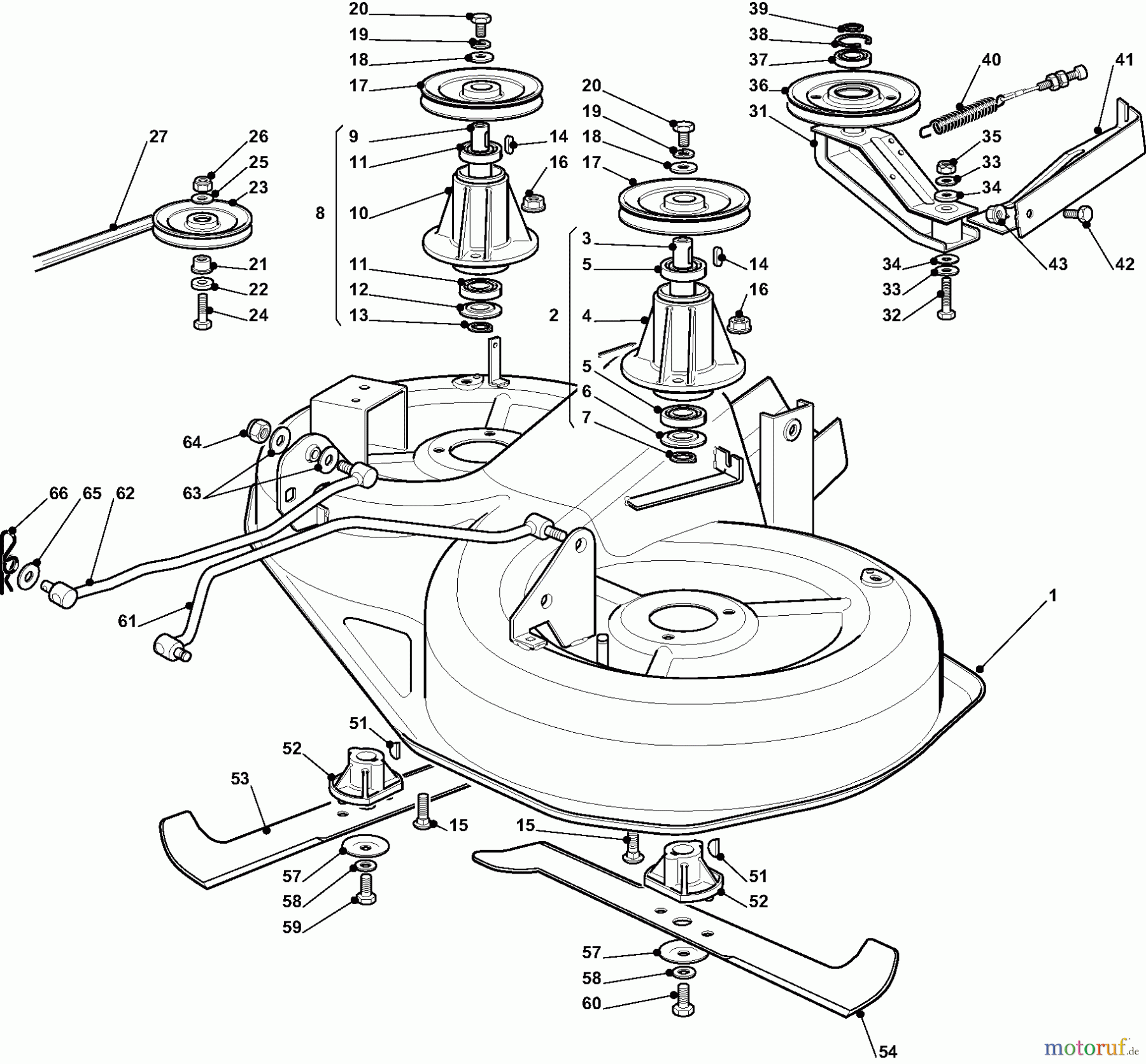
Dolmar TM-92.14 H2 TM-92.14 H2 (2008) 9 SCHNEIDWERKZEUG (2) Ersatzteile
9 SCHNEIDWERKZEUG (2) TM-92.14 H2 (2008)

Hier finden Sie die Ersatzteilzeichnung für Dolmar Rasentraktoren TM-92.14 H2 TM-92.14 H2 (2008) 9 SCHNEIDWERKZEUG (2). Wählen Sie das benötigte Ersatzteil aus der Ersatzteilliste Ihres Dolmar Gerätes aus und bestellen Sie einfach online. Viele Dolmar Ersatzteile halten wir ständig in unserem Lager für Sie bereit.


Qualitätsmanagement
Informieren Sie uns, wenn Sie einen Fehler gefunden haben.




