Dolmar Elektro EM-4113 EM-4113 (1996) 3 EM-4113 Ersatzteile
3 EM-4113 EM-4113 (1996)

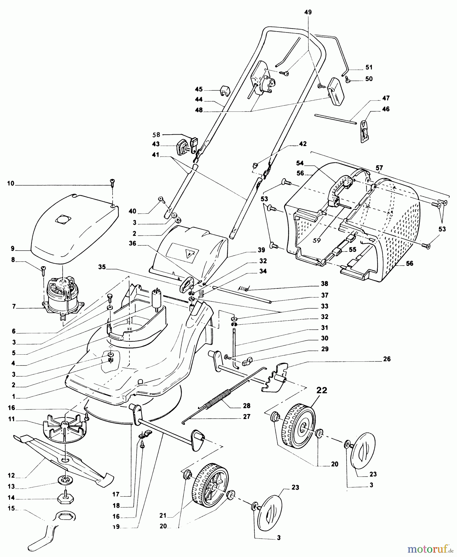
Hier finden Sie die Ersatzteilzeichnung für Dolmar Rasenmäher Elektro EM-4113 EM-4113 (1996) 3 EM-4113. Wählen Sie das benötigte Ersatzteil aus der Ersatzteilliste Ihres Dolmar Gerätes aus und bestellen Sie einfach online. Viele Dolmar Ersatzteile halten wir ständig in unserem Lager für Sie bereit.



