Dolmar Benzin PM4655S4 PM-4655 S4 (2011-2012) 2 PM-4655 S4 Ersatzteile
2 PM-4655 S4 PM-4655 S4 (2011-2012)

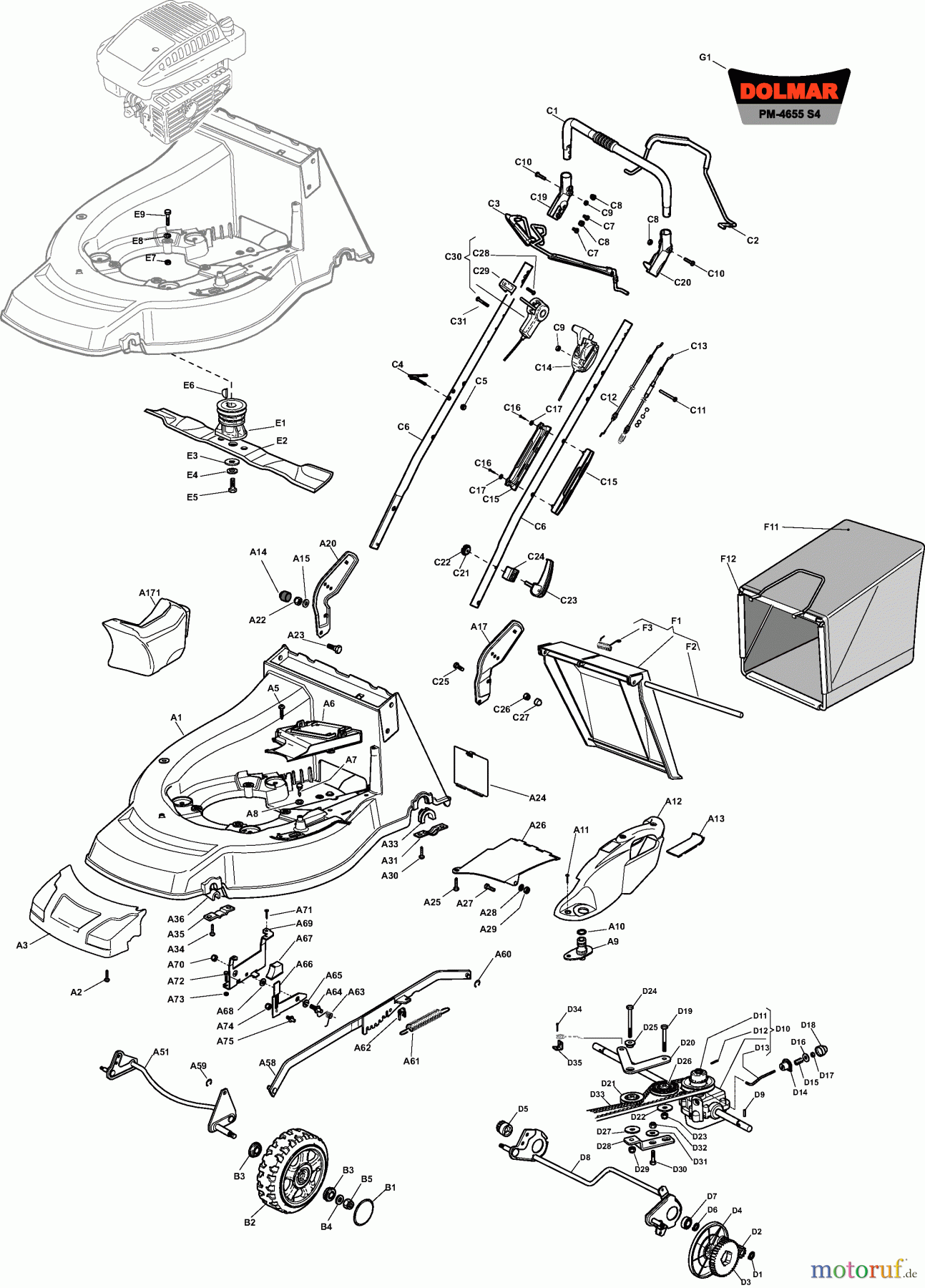
Hier finden Sie die Ersatzteilzeichnung für Dolmar Rasenmäher Benzin PM4655S4 PM-4655 S4 (2011-2012) 2 PM-4655 S4. Wählen Sie das benötigte Ersatzteil aus der Ersatzteilliste Ihres Dolmar Gerätes aus und bestellen Sie einfach online. Viele Dolmar Ersatzteile halten wir ständig in unserem Lager für Sie bereit.









