Dolmar Benzin PM-4655 PM-4655 (2003) 7 PM-4655 Ersatzteile
7 PM-4655 PM-4655 (2003)

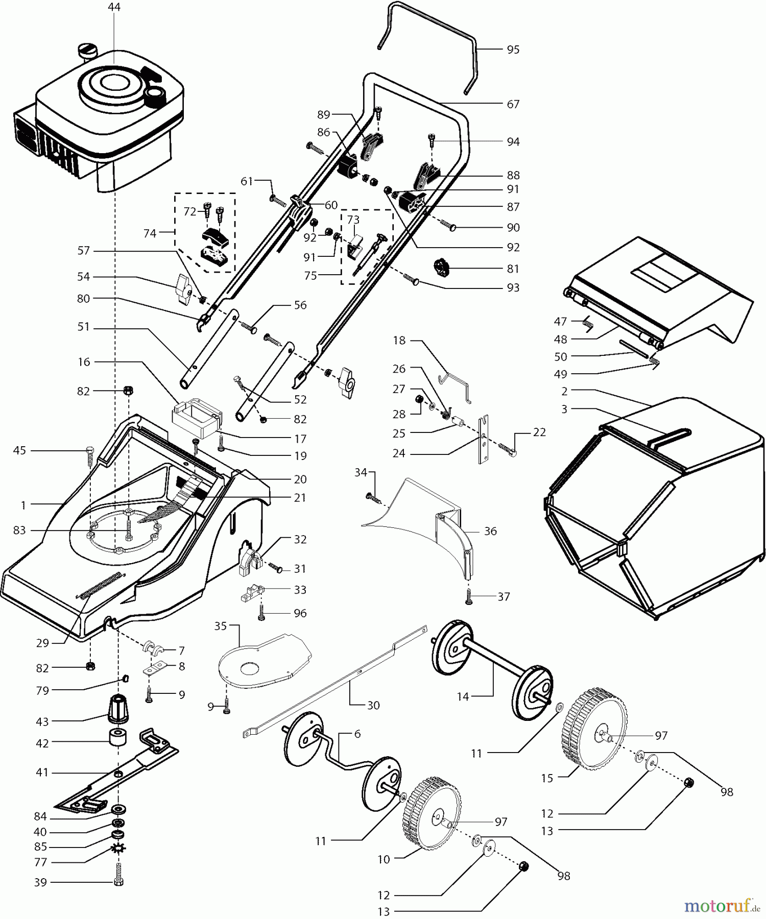
Hier finden Sie die Ersatzteilzeichnung für Dolmar Rasenmäher Benzin PM-4655 PM-4655 (2003) 7 PM-4655. Wählen Sie das benötigte Ersatzteil aus der Ersatzteilliste Ihres Dolmar Gerätes aus und bestellen Sie einfach online. Viele Dolmar Ersatzteile halten wir ständig in unserem Lager für Sie bereit.





