Dolmar Benzin PM-4645 SE PM-4645 SE (1997-2000) 8a PM-4645 SE (1997) Ersatzteile
8a PM-4645 SE (1997) PM-4645 SE (1997-2000)

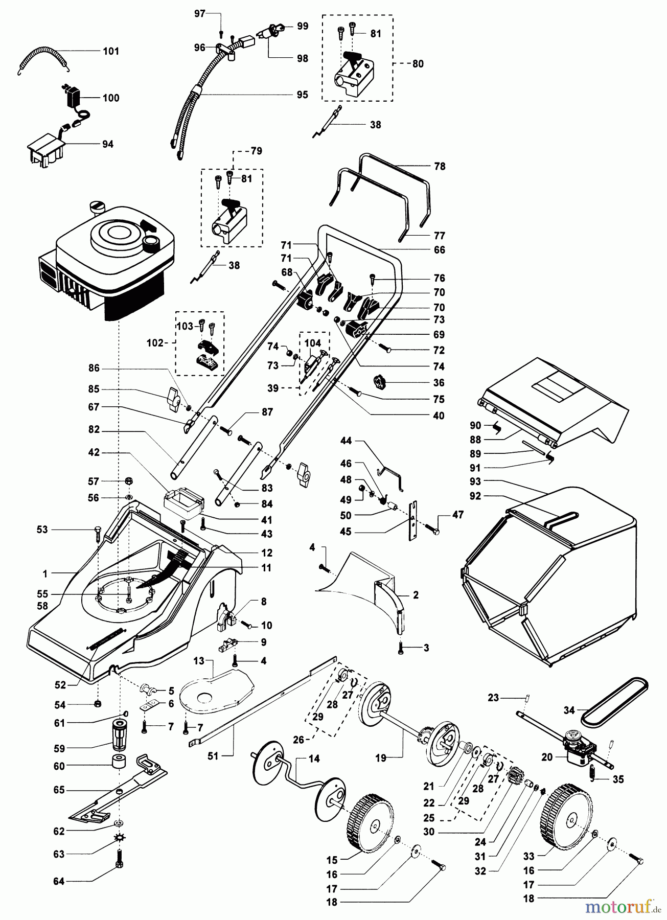
Hier finden Sie die Ersatzteilzeichnung für Dolmar Rasenmäher Benzin PM-4645 SE PM-4645 SE (1997-2000) 8a PM-4645 SE (1997). Wählen Sie das benötigte Ersatzteil aus der Ersatzteilliste Ihres Dolmar Gerätes aus und bestellen Sie einfach online. Viele Dolmar Ersatzteile halten wir ständig in unserem Lager für Sie bereit.




