Dolmar Benzin PM-4640 HSM PM-4640 HSM (1997-2000) 6 PM-4640 HSM Ersatzteile
6 PM-4640 HSM PM-4640 HSM (1997-2000)

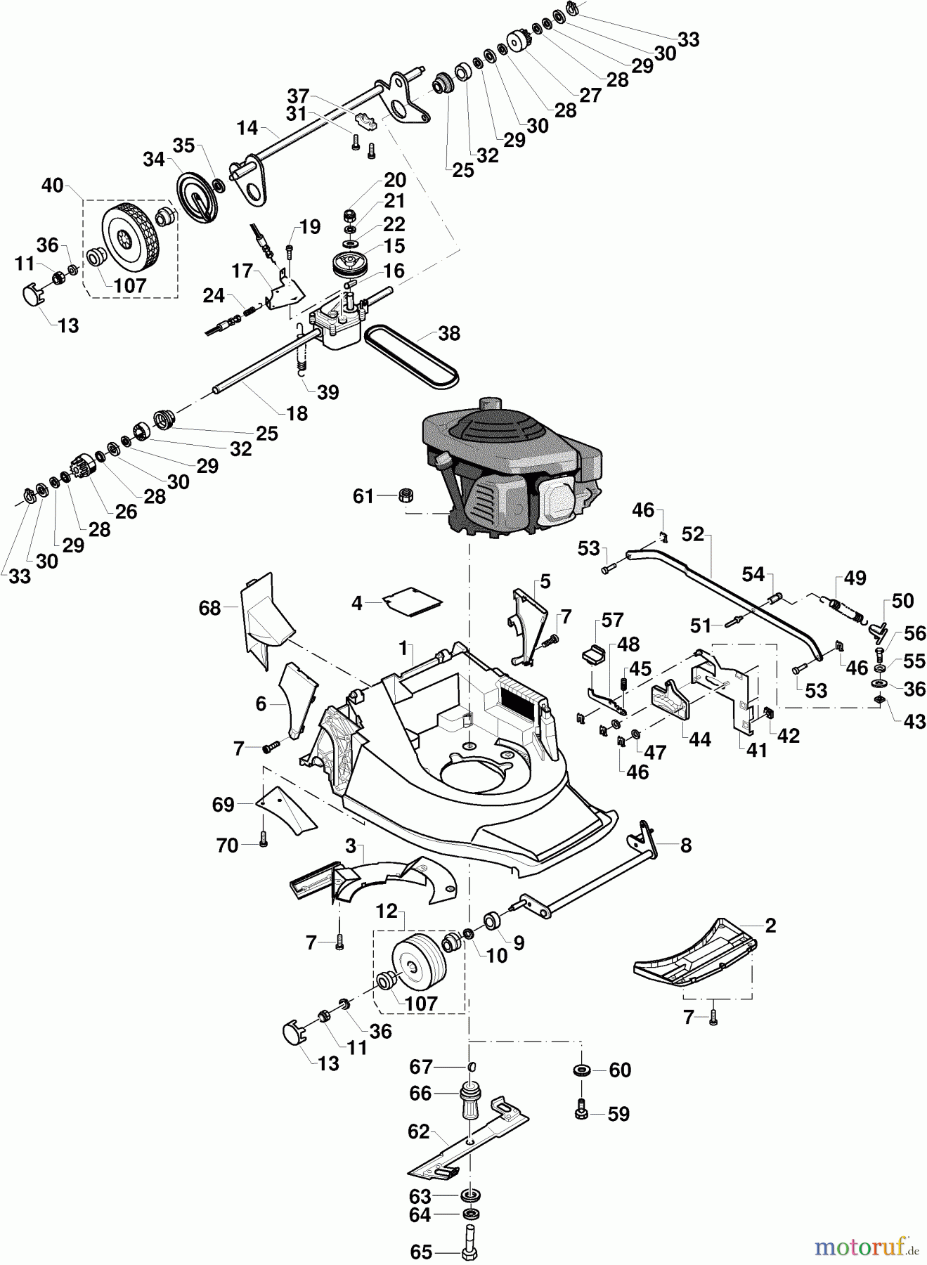
Hier finden Sie die Ersatzteilzeichnung für Dolmar Rasenmäher Benzin PM-4640 HSM PM-4640 HSM (1997-2000) 6 PM-4640 HSM. Wählen Sie das benötigte Ersatzteil aus der Ersatzteilliste Ihres Dolmar Gerätes aus und bestellen Sie einfach online. Viele Dolmar Ersatzteile halten wir ständig in unserem Lager für Sie bereit.


Qualitätsmanagement
Informieren Sie uns, wenn Sie einen Fehler gefunden haben.


