Einkaufswagen
Mein Konto

Dolmar Benzin PM-4040 PM-4040 (2002) 4 PM-4040 Ersatzteile

4 PM-4040 PM-4040 (2002)

 Dolmar Rasenmäher Benzin PM-4040 PM-4040 (2002) 4  PM-4040

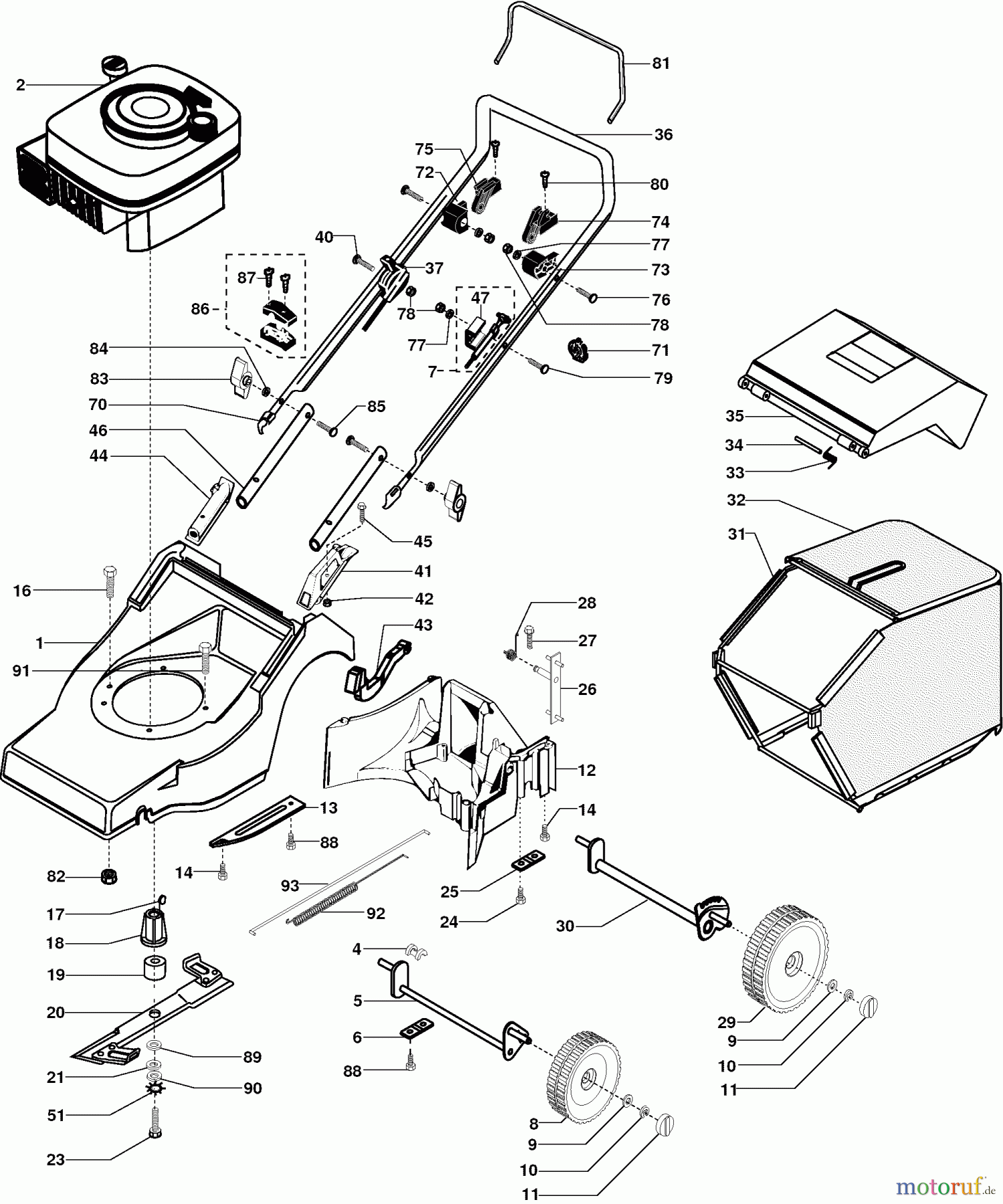
Hier finden Sie die Ersatzteilzeichnung für Dolmar Rasenmäher Benzin PM-4040 PM-4040 (2002) 4 PM-4040. Wählen Sie das benötigte Ersatzteil aus der Ersatzteilliste Ihres Dolmar Gerätes aus und bestellen Sie einfach online. Viele Dolmar Ersatzteile halten wir ständig in unserem Lager für Sie bereit.

BildNrArtikel NummerBezeichnung
1 663548198GEHäUSE ORANGE
2 -MOTOR QUATTRO 40 BRIGGS & STRATTON
4 661300049LAGERSCHALE
5 661300580ACHSE VORNE
6 661300101LAGERPLATTE
7 663518092BOWDENZUG (MOTORBREMSE)
8 661300499LAUFRAD VORNE
9 663703790SCHEIBE
10 663702893SICHERUNGSSCHEIBE 10
11 661300509KAPPE
12 663548201HECKTEIL
13 661300494ABDECKUNG
14 908006205SCHRAUBE T M6X20
16 663375953SCHRAUBE M8X40
17 663700390SCHEIBENFEDER
18 663512427MESSERKUPPLUNG
19 663548192DISTANZSCHEIBE
20 663531486MESSER 1-TEILIG 40 CM
21 663316913SCHEIBE ø 50 X 5
23 663512512ARRETIERSCHRAUBE 3/8" X 85
24 663543556SCHRAUBE 4X20
25 662300623ACHSKLEMMTEIL
26 661300523VERSTELLKULISSE
27 661300521ARRETIERSTIFT
28 661300582FEDER
29 661300511HINTERRAD
30 661300622ACHSE HINTEN
31 661300658RAHMEN
32 661013071GRASFANGSACK
33 661300604SCHENKELFEDER
34 661300603ZAPFEN
35 663524718HECKKLAPPE TAMPONIERT
36 663531830FüHRUNGSHOLM OBEN RAL 2002
37 663531833GASVERSTELLUNG T60
40 663703697SCHRAUBE M6X55
41 661300515GRIFF
42 663500073SICHERUNGSMUTTER M8
43 661300514ENTRIEGELUNG
44 661300516ISOLIERUNG
45 663704193SCHRAUBE M8X45
46 663548168FüHRUNGSHOLM UNTEN RAL 9005
47 663518925WIDERLAGER
51 663700202SCHEIBE ø 10,5
70 663543411SCHUTZKAPPE
71 663505322HOLMKLEMME
72 663512577WIDERLAGER RECHTS
73 663512578WIDERLAGER LINKS
74 663512576AUFNAHMEBüGEL LINKS
75 663512723AUFNAHMEBüGEL RECHTS
76 663702873SCHRAUBE M6X45
77 663700148SCHEIBE ø 6,4
78 Dolmar SECHSKANTMUTTER M6920406000SECHSKANTMUTTER M6
79 663703703SCHRAUBE M6X40
80 663703704SCHRAUBE 3,5X13
81 663548207BüGEL RAL 9005
82 663500073SICHERUNGSMUTTER M8
83 663544757FLüGELMUTTER M6
84 924806400SCHEIBE A 6.4
85 663702854SCHRAUBE M6X45
86 663548217HOLMSTARTEINRICHTUNG
87 663373264SCHRAUBE 5X16
88 663510468SCHRAUBE 6X16
89 663300161BREMSSCHEIBE
90 663700656TELLERFEDER 28X10.2X1.25
91 663700303SECHSKANTSCHRAUBE M8X70
92 663546099ZUGFEDER
93 663290174ZUGSTANGE
Rasen
Bankeinzug, MasterCard, Visa, American Express, PayPal, Nachnahme, Vorauskasse, Sofortüberweisung
Qualitätsmanagement
Informieren Sie uns, wenn Sie einen Fehler gefunden haben.