Dolmar Benzin PM-4040 PM-4040 (2001) 4 PM-4040 Ersatzteile
4 PM-4040 PM-4040 (2001)

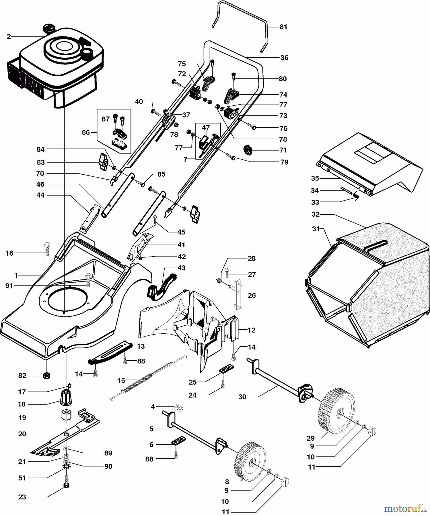
Hier finden Sie die Ersatzteilzeichnung für Dolmar Rasenmäher Benzin PM-4040 PM-4040 (2001) 4 PM-4040. Wählen Sie das benötigte Ersatzteil aus der Ersatzteilliste Ihres Dolmar Gerätes aus und bestellen Sie einfach online. Viele Dolmar Ersatzteile halten wir ständig in unserem Lager für Sie bereit.




