Dolmar Benzin 4-Takt MS43004R 2 Hauptrohr, Getriebe, Schutzhaube Ersatzteile
2 Hauptrohr, Getriebe, Schutzhaube MS43004R

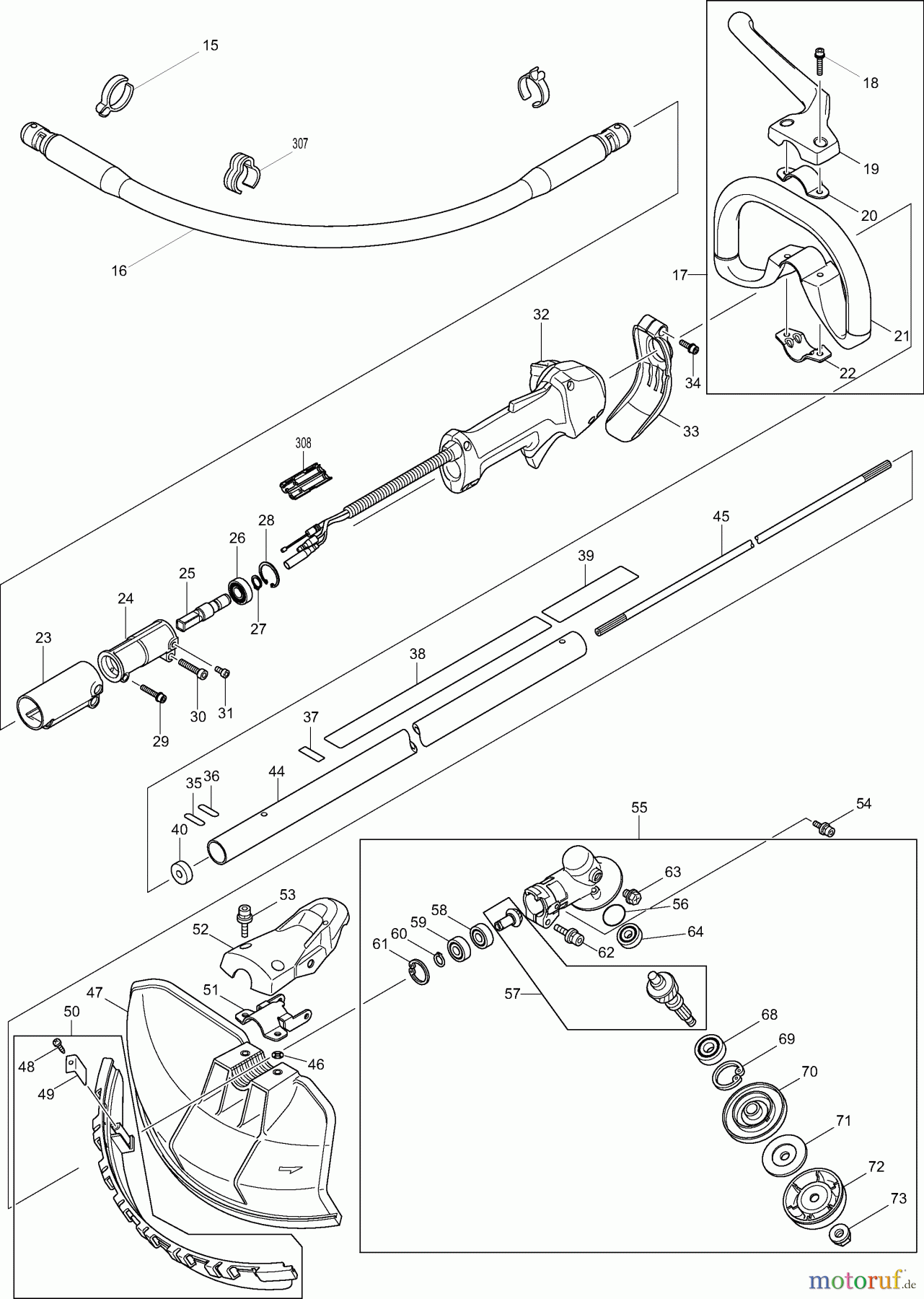
Hier finden Sie die Ersatzteilzeichnung für Dolmar Motorsensen & Trimmer Benzin 4-Takt MS43004R 2 Hauptrohr, Getriebe, Schutzhaube. Wählen Sie das benötigte Ersatzteil aus der Ersatzteilliste Ihres Dolmar Gerätes aus und bestellen Sie einfach online. Viele Dolmar Ersatzteile halten wir ständig in unserem Lager für Sie bereit.


Qualitätsmanagement
Informieren Sie uns, wenn Sie einen Fehler gefunden haben.


