Dolmar Benzin 4-Takt MS-245.4 C (USA) 3 Kurbelgehäuse, Zylinder, Zündung, Schalldämpfer, Kraftstofftank Ersatzteile
3 Kurbelgehäuse, Zylinder, Zündung, Schalldämpfer, Kraftstofftank MS-245.4 C (USA)

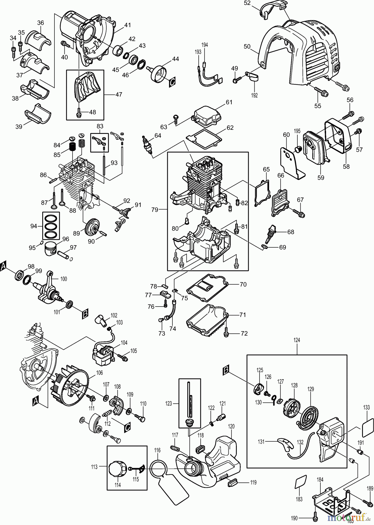
Hier finden Sie die Ersatzteilzeichnung für Dolmar Motorsensen & Trimmer Benzin 4-Takt MS-245.4 C (USA) 3 Kurbelgehäuse, Zylinder, Zündung, Schalldämpfer, Kraftstofftank. Wählen Sie das benötigte Ersatzteil aus der Ersatzteilliste Ihres Dolmar Gerätes aus und bestellen Sie einfach online. Viele Dolmar Ersatzteile halten wir ständig in unserem Lager für Sie bereit.
Häufig benötigte Dolmar Benzin 4-Takt MS-245.4 C (USA) 3 Kurbelgehäuse, Zylinder, Zündung, Schalldämpfer, Kraftstofftank Ersatzteile

Artikelnummer: DR163447-0
Suche nach: 163447-0
Hersteller: Dolmar
Dolmar Ersatzteil 3 Kurbelgehäuse, Zylinder, Zündung, Schalldämpfer, Kraftstofftank
Suche nach: 163447-0
Hersteller: Dolmar
Dolmar Ersatzteil 3 Kurbelgehäuse, Zylinder, Zündung, Schalldämpfer, Kraftstofftank
4.79 €
für EU incl. MwSt., zzgl. Versand





