Dolmar Benzin 4-Takt LT2454 3 Motor kpl. Ersatzteile
3 Motor kpl. LT2454

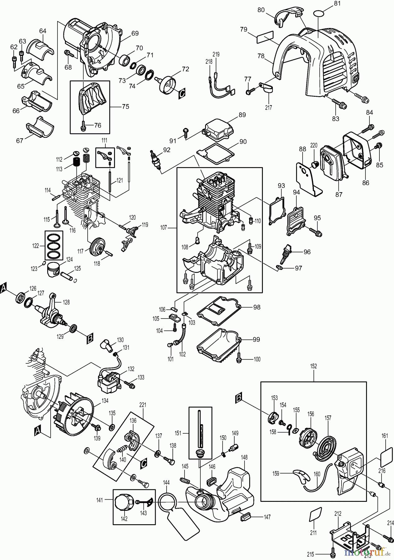
Hier finden Sie die Ersatzteilzeichnung für Dolmar Motorsensen & Trimmer Benzin 4-Takt LT2454 3 Motor kpl.. Wählen Sie das benötigte Ersatzteil aus der Ersatzteilliste Ihres Dolmar Gerätes aus und bestellen Sie einfach online. Viele Dolmar Ersatzteile halten wir ständig in unserem Lager für Sie bereit.
Häufig benötigte Dolmar Benzin 4-Takt LT2454 3 Motor kpl. Ersatzteile

Artikelnummer: DR163447-0
Suche nach: 163447-0
Hersteller: Dolmar
Dolmar Ersatzteil 3 Motor kpl.
Suche nach: 163447-0
Hersteller: Dolmar
Dolmar Ersatzteil 3 Motor kpl.
4.79 €
für EU incl. MwSt., zzgl. Versand


Qualitätsmanagement
Informieren Sie uns, wenn Sie einen Fehler gefunden haben.



