Dolmar Benzin 2-Takt MS-260 U (USA) 2 Zylinder, Abdeckhaube Ersatzteile
2 Zylinder, Abdeckhaube MS-260 U (USA)

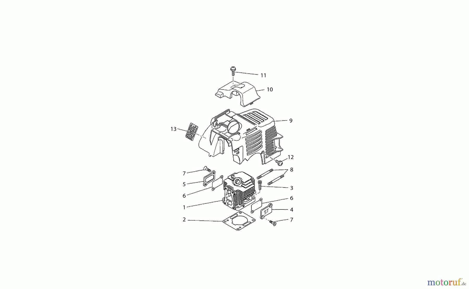
Hier finden Sie die Ersatzteilzeichnung für Dolmar Motorsensen & Trimmer Benzin 2-Takt MS-260 U (USA) 2 Zylinder, Abdeckhaube. Wählen Sie das benötigte Ersatzteil aus der Ersatzteilliste Ihres Dolmar Gerätes aus und bestellen Sie einfach online. Viele Dolmar Ersatzteile halten wir ständig in unserem Lager für Sie bereit.
| BildNr | Artikel Nummer | Bezeichnung | |
| 1 | 351130200 | ZYLINDER | |
| 2 | 351320140 | ZYLINDERDICHTUNG | |
| 3 | 351121052 | SCHRAUBE | |
| 4 | 351900160 | ABDECKUNG | |
| 5 | 351900170 | ZWISCHENFLANSCH | |
| 6 | 351390790 | DICHTUNG | |
| 7 | 351120310 | SCHRAUBE CTSK-CRS | |
| 8 | 351151055 | BOLT | |
| 9 | 352400940 | HAUBE | |
| 10 | 351700200 | KERZENABDECKUNG | |
| 11 | 351071520 | SCHRAUBE MIT SCHEIBE | |
| 12 | 351120430 | SCHRAUBE MIT SCHEIBE | |
| 13 | 352562490 | SCHILD | |


Qualitätsmanagement
Informieren Sie uns, wenn Sie einen Fehler gefunden haben.

